EasyManua.ls Logo

Hitachi V-355 - Page 43

Hitachi V-355
54 pages
Print Icon
To Next Page IconTo Next Page
To Next Page IconTo Next Page
To Previous Page IconTo Previous Page
To Previous Page IconTo Previous Page
Loading...
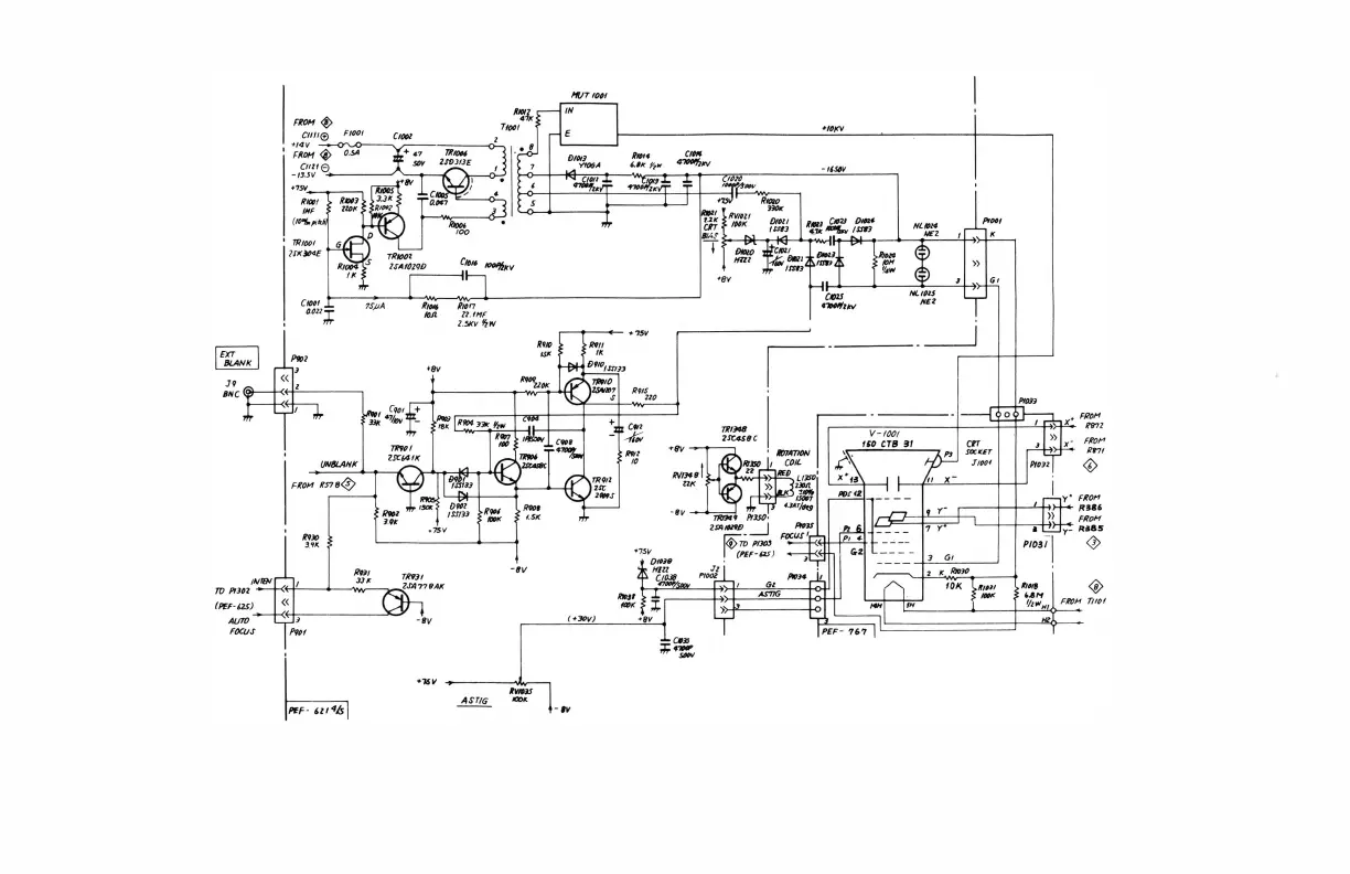
HV and Z-AMP
40