EasyManua.ls Logo

Hitachi VT-FX440E - Explodeds Views and Parts List; Exploded Views; Cabinet Section

Hitachi VT-FX440E
105 pages
Print Icon
To Next Page IconTo Next Page
To Next Page IconTo Next Page
To Previous Page IconTo Previous Page
To Previous Page IconTo Previous Page
Loading...
6-1
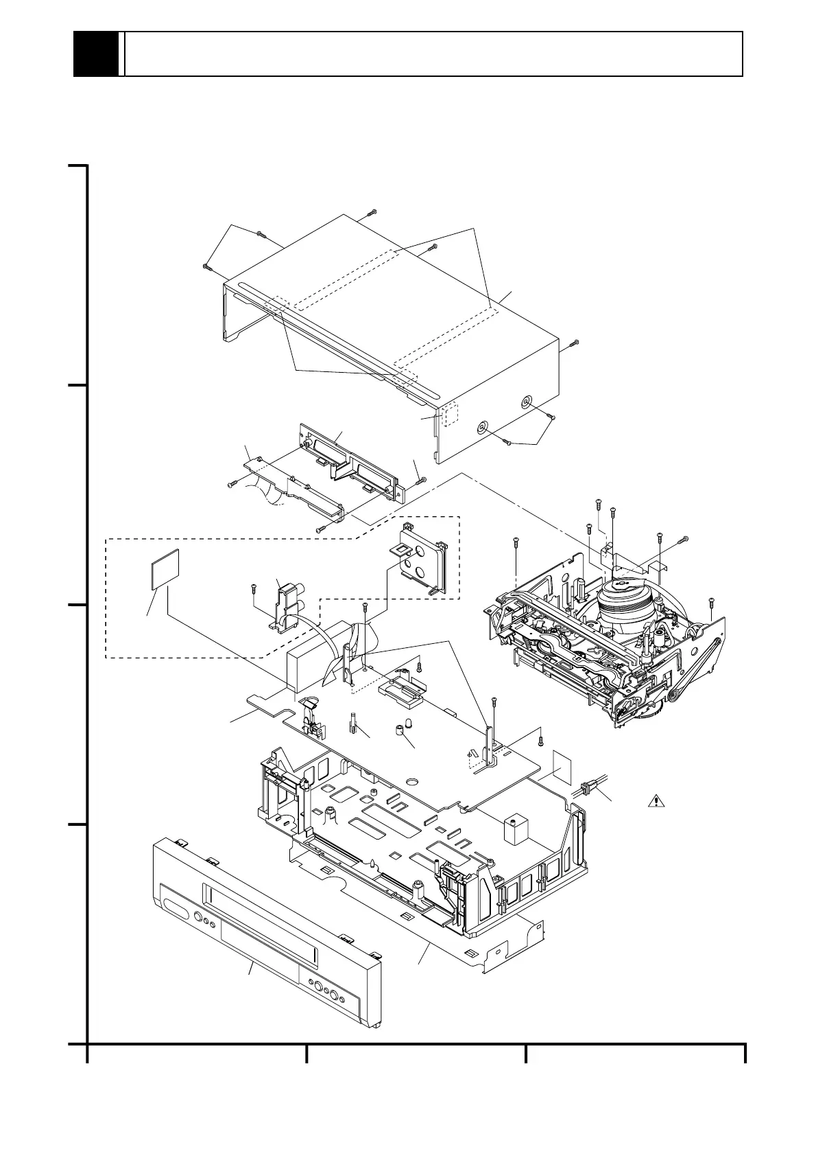
6-1 EXPLODED VIEWS
6-1-1 Cabinet Section
2B18
A2
2L011
2L011
2L011
2L011
2L011
2B9
2B9
2L022
2L022
2L012
A5
2L041
AC001
2L031
2L099
2L041
2B8
2B46
A7
2L042
2L021
2L021
2L021
2L021
2L021
2L051
A1X
VT-FX440/540E(UK) only
JACK PCB
[COMPONENT
REPLACEMENT]
MAIN PCB
[COMPONENT
REPLACEMENT]
AFV PCB
[COMPONENT
REPLACEMENT]
SUB JACK PCB
[COMPONENT
REPLACEMENT]
SENSOR PCB
[COMPONENT
REPLACEMENT]
2L041
Note: Components without any numbers in exploded
views had not been assigned as service parts
as of the date of issue of this manual.
1
2
3
4
ABC
EXPLODED VIEW AND PARTS LIST
6

Table of Contents

Related product manuals