EasyManua.ls Logo

Hitachi VT-FX440E - Deck Mechanism View 2 Section

Hitachi VT-FX440E
105 pages
Print Icon
To Next Page IconTo Next Page
To Next Page IconTo Next Page
To Previous Page IconTo Previous Page
To Previous Page IconTo Previous Page
Loading...
6-3
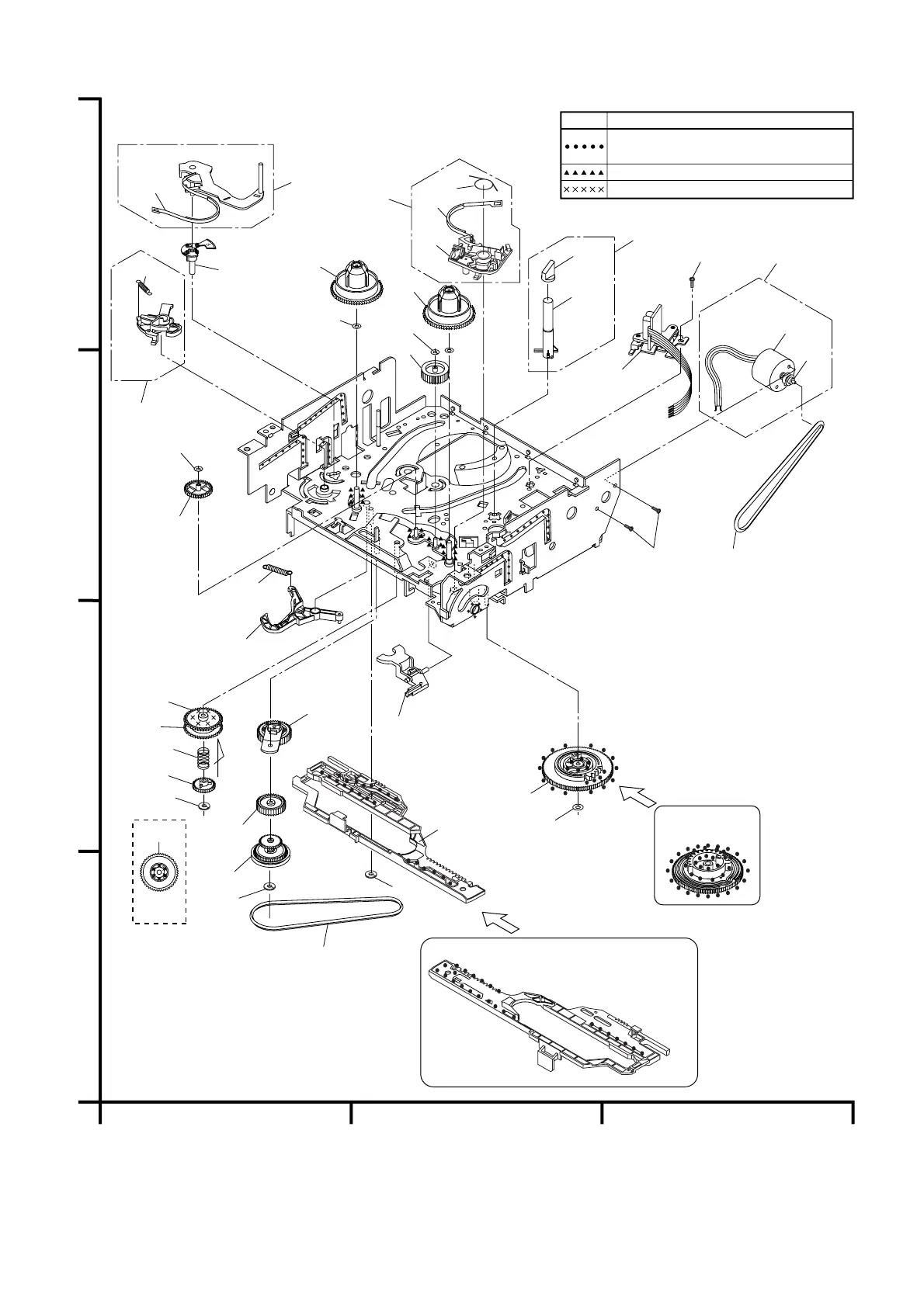
6-1-3 Deck Mechanism View 2 Section
Mark Description
Floil G-684G or Multemp MH-D
(Blue grease)
SLIDUS OIL #150
SANKOUL FG84M (Yellow grease)
B499
B516
B52
B507
B559
B581
B583
B580
B582
A
View
for A
B578
B579
B579
B133
B551
Bottom Side (Grease point)
Some Ref. Numbers are not in sequence.
B488
B491
B513
Bottom Side
(Grease point)
L1151
B525
B31
L1406
B558
B557
B3
B592
B148
B522
B521
B590
B573
B574
B591
B416
B518
B564
B585
B487
B587
B508
B414
B572
B565
B568
B417
1
2
3
4
GH I

Table of Contents