EasyManua.ls Logo

Hitachi VT-FX440E - Page 70

Hitachi VT-FX440E
105 pages
Print Icon
To Next Page IconTo Next Page
To Next Page IconTo Next Page
To Previous Page IconTo Previous Page
To Previous Page IconTo Previous Page
Loading...
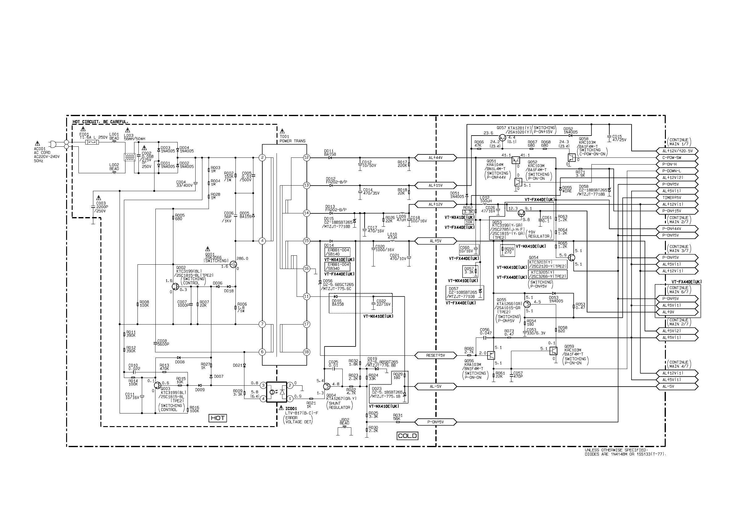
MAIN BOARD (POWER SUPPLY BLOCK)
NOTE:
The voltage for parts in hot circuit is measured
using hot GND as a common terminal.
CAUTION!
For continued protection against fire hazard,
replace only with the same type fuse.
CAUTION!
Fixed voltage (or Auto voltage selectable) power supply circuit is used in this unit.
If Main Fuse (F001) is blown, check to see that all components in the power supply
circuit are not defective before you connect the AC plug to the AC power supply.
Otherwise it may cause some components in the power supply circuit to fail.
MAIN BOARD
POWER SUPPLY BLOCK POWER CONTROL BLOCK
S-8

Table of Contents

Related product manuals