EasyManua.ls Logo

Hitachi VT-FX440E - Page 72

Hitachi VT-FX440E
105 pages
Print Icon
To Next Page IconTo Next Page
To Next Page IconTo Next Page
To Previous Page IconTo Previous Page
To Previous Page IconTo Previous Page
Loading...
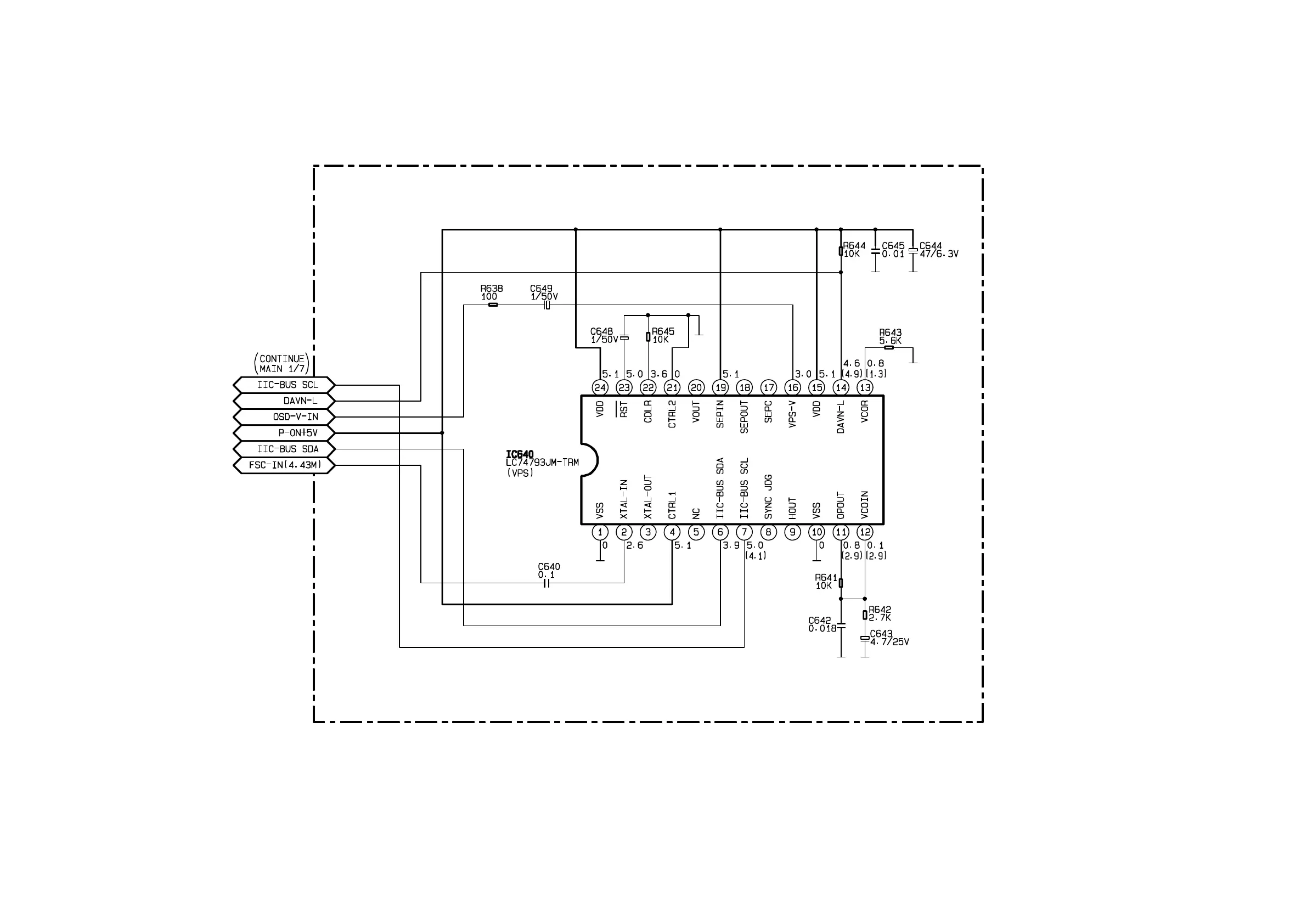
MAIN BOARD (VPS BLOCK)
MAIN BOARD (VPS BLOCK)
S-10

Table of Contents

Related product manuals