EasyManua.ls Logo

HITROL HTM-930 Series - Installation Method; Wiring Method; HLC-901 L Wiring

HITROL HTM-930 Series
7 pages
Print Icon
To Next Page IconTo Next Page
To Next Page IconTo Next Page
To Previous Page IconTo Previous Page
To Previous Page IconTo Previous Page
Loading...
Doc. no. :HTM-930 M_Kor_2016, Rev. 0
Issued date : 2016. 01
Page 5 / 7
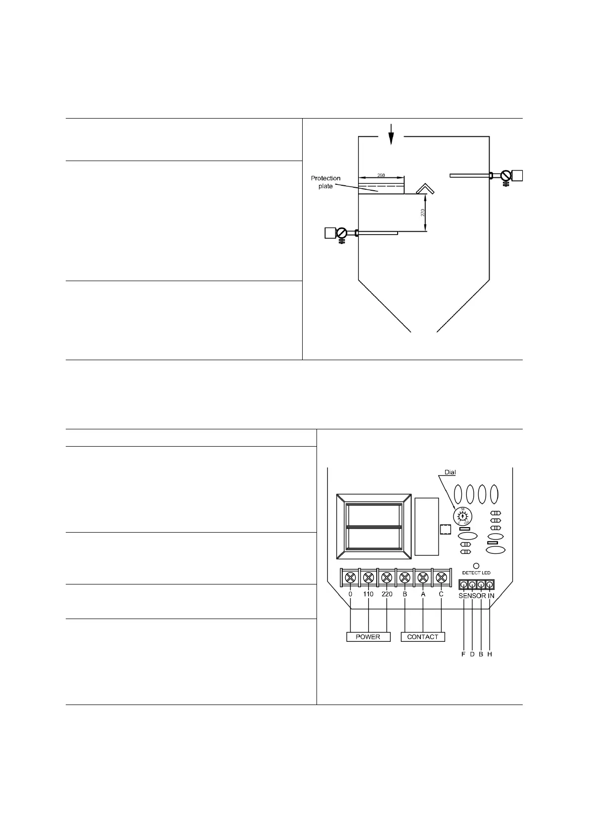
5. Installation Method
1. Sensor should be installed using a 3/4" PT
coupling or a designated flange.
Fig. 1 Schematic diagram for wiring
2. Sensor should not be installed at the inlet of
material to be measured.
(However, when sensor is installed at the inlet of
material to be measured, the protection plate for
the sensing rod should be installed to endure the
force due to falling of material to be measured.
Refer Fig. 1.)
3. The direction of cable gland should be
forwarded to the ground.
6. Wiring Method
6.1 HLC – 901L
1) Refer Fig. 2.
Fig. 2.1 Schematic diagram for wiring
2) Two-wire twisted shield cable should be used
when wiring sensor and the unit. (HITROLs standard
length is 6 m. However, when the distance between
the sensor and the unit is over 6 m, it is required to
consult cable specification to HITROL.)
3) When wiring between the sensor and the unit, the
separate cable conduits should be used for power
and sensor signal.
4) It should be grounded for either the sensor or the
units.
5) The sensitivity can be adjusted using Dial. If it is
dialed counterclockwise, the vibration becomes weak
and the sensitivity becomes high. But, if clockwise,
the vibration becomes strong and the sensitivity
becomes low.

Related product manuals