EasyManua.ls Logo

Hobart Welders Handler 187 - Troubleshooting: Lack of Penetration and Fusion; Troubleshooting: Burn-Through

Hobart Welders Handler 187
52 pages
Print Icon
To Next Page IconTo Next Page
To Next Page IconTo Next Page
To Previous Page IconTo Previous Page
To Previous Page IconTo Previous Page
Loading...
OM-228 187 Page 30
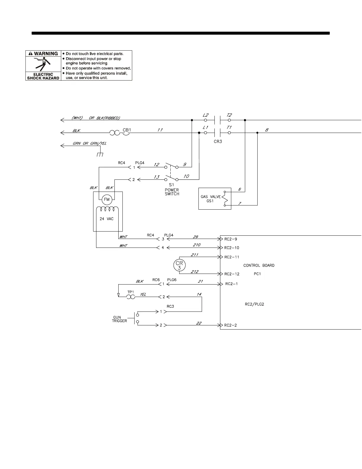
SECTION 8 ELECTRICAL DIAGRAM
Figure 8-1. Circuit Diagram

Table of Contents

Related product manuals