EasyManua.ls Logo

HOMCOM 800-166V70 - Diagrama Eléctrico

HOMCOM 800-166V70
64 pages
Print Icon
To Next Page IconTo Next Page
To Next Page IconTo Next Page
To Previous Page IconTo Previous Page
To Previous Page IconTo Previous Page
Loading...
46
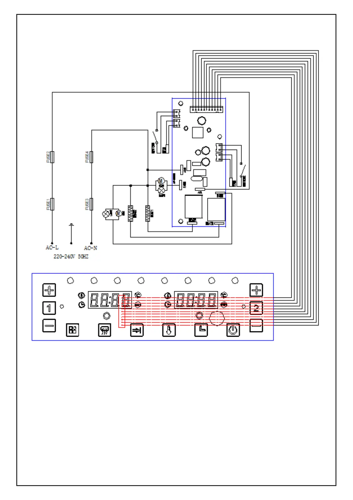
Diagrama eléctrico