EasyManua.ls Logo

HOMCOM A90-301 - Page 20

HOMCOM A90-301
30 pages
Print Icon
To Next Page IconTo Next Page
To Next Page IconTo Next Page
To Previous Page IconTo Previous Page
To Previous Page IconTo Previous Page
Loading...
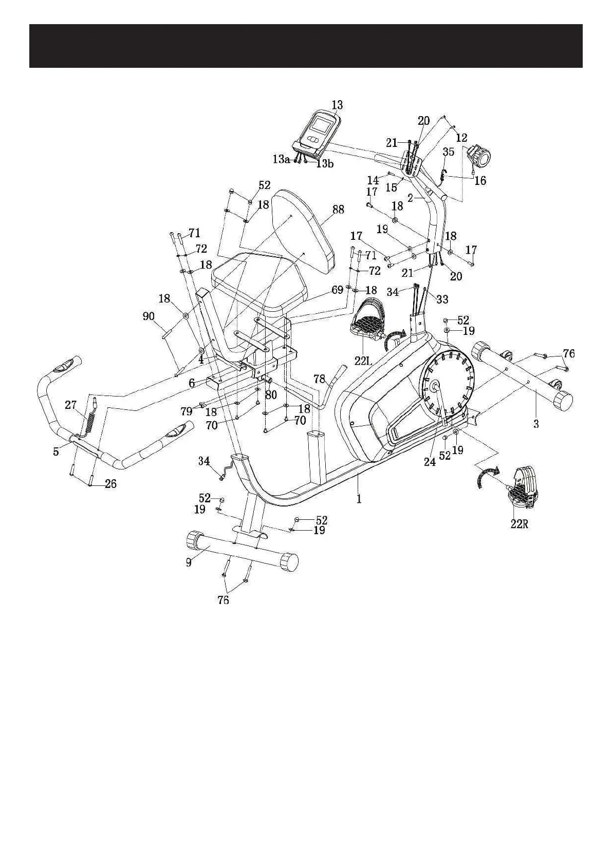
Exploded Picture
-5-

Other manuals for HOMCOM A90-301

Related product manuals