EasyManua.ls Logo

HOMCOM A91-131 - Page 12

HOMCOM A91-131
16 pages
Print Icon
To Next Page IconTo Next Page
To Next Page IconTo Next Page
To Previous Page IconTo Previous Page
To Previous Page IconTo Previous Page
Loading...
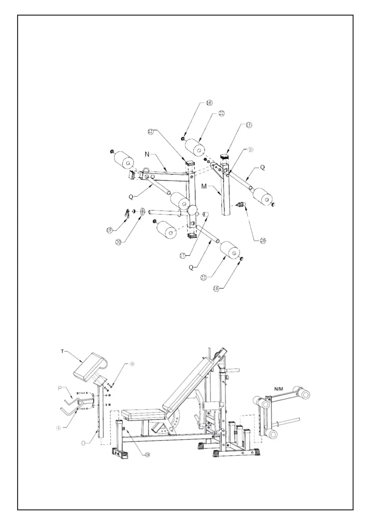
~ 8 ~
Step 5:
Insert Q in M and install 2 x foam rollers (22) and Ø 25 mm tube plug (16) and 1 x 45x45 tube
plug (13).
Insert 2 x Q, 4 x foam rollers (22), 5 x Ø 25 mm round tube plugs (16).
Install M and N with 1 x M10x75 screw, nut, and washer (2).
Insert M in the main body and adjust the height with the popper pin (26).
Step 6:
Install P and T on part O with 2 x M10x65 screws, nuts, and washers (4) and 4 x M8x20 screws,
nuts, and washers (9).
Adjust the height with popper pin (26) after inserting into part O.

Related product manuals