EasyManua.ls Logo

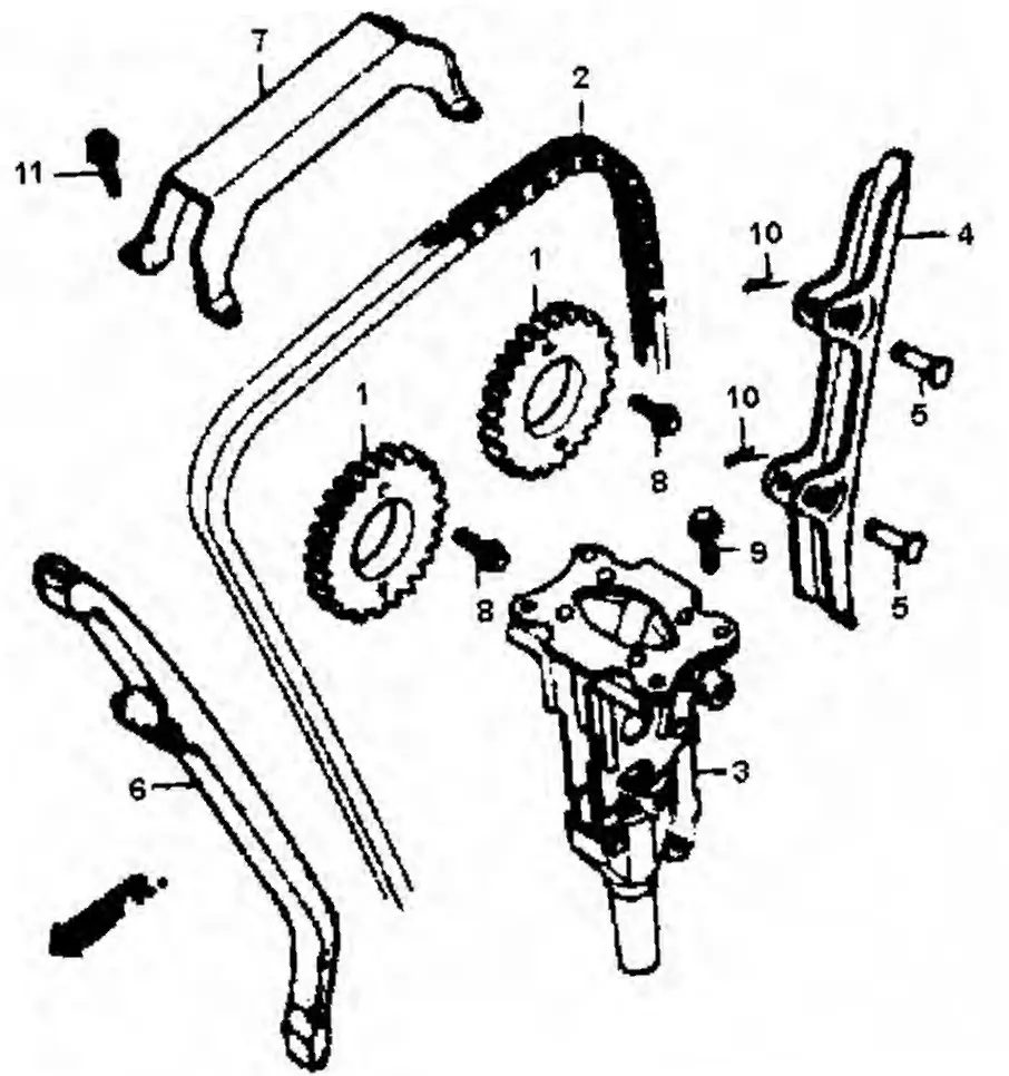
Honda CBR1000F - cam chain.gif

Honda CBR1000F
421 pages
Print Icon
To Next Page IconTo Next Page
To Next Page IconTo Next Page
To Previous Page IconTo Previous Page
To Previous Page IconTo Previous Page
Loading...
2
I
9
~
5

Table of Contents

Other manuals for Honda CBR1000F

Related product manuals