EasyManua.ls Logo

Honeywell S89E

Honeywell S89E
12 pages
To Next Page IconTo Next Page
To Next Page IconTo Next Page
To Previous Page IconTo Previous Page
To Previous Page IconTo Previous Page
Loading...
S89E,F DIRECT SPARK IGNITION CONTROL MODULE
5 68-0066—4
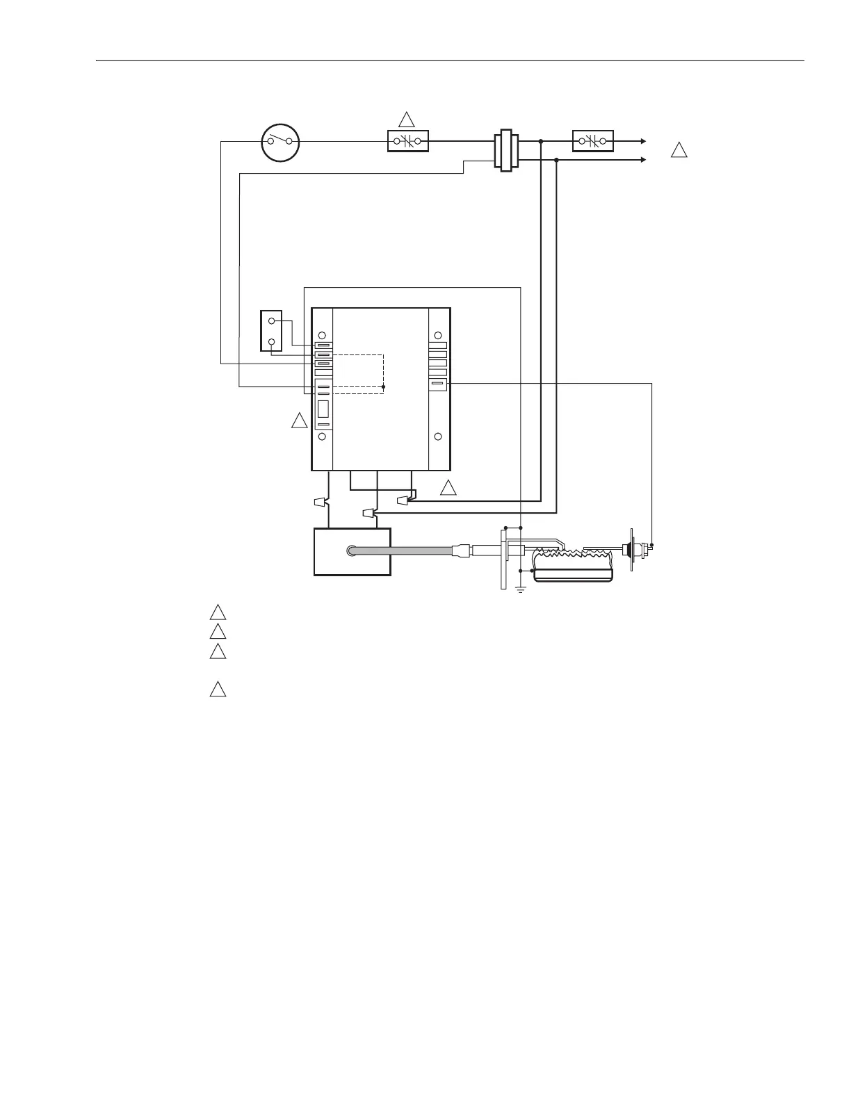
Fig. 2. S89E typical hookup in direct spark control system. See Fig. 8 for control system ladder diagram.
Check Out S89
NOTE: If operation is not as described below, refer to
Troubleshooting section.
1. Set thermostat to call for heat.
2. Turn on power and gas supply.
3. Igniter starts to spark and gas control opens after safe
start check (S89E: 10 seconds maximum) or safe start
check plus valve on delay (S89F: 30 seconds
minimum).
4. Main burner lights while igniter is on.
NOTE: If the gas control has been replaced or serviced,
lightoff may be unsatisfactory until air has been
purged from the gas line or the gas input and
combustion air have been adjusted (see appliance
manufacturer instructions).
5. Turn off gas supply.
6. Gas control closes.
7. The module begins the safe start check (S89E: 10
seconds maximum) or safe start check plus valve on
delay (30 seconds minimum) after which the igniter
starts and gas control opens.
8. Time system until gas control closes. S89 is now in
safety lockout. The lockout time should be within the
specifications in Table 2.
9. Open gas supply. System remains off and no gas flows
to the main burner.
BLUE
WHITE
GROUND
BURNER
IGNITER
M19836
FLAME
SENSOR
120 V SPARK
GENERATOR
BLACK
DUAL VALVE
COMBINATION
GAS CONTROL
THERMOSTAT OR
CONTROLLER
GND (BURNER)
24V (GND)
24V
VALVE
S89E GAS PRIMARY
TRANSFORMER
L2
L1
(HOT)
LIMIT
CONTROLLER
VALVE (GND)
SENSE
BLUE
1
4
2
3
3
2
1
4
POWER SUPPLY. PROVIDE DISCONNECT MEANS AND OVERLOAD PROTECTION AS REQUIRED.
ALTERNATED LIMIT CONTROLLER LOCATION.
IMPORTANT:
• CONNECT L1 TO THE BLACK LEAD.
• CONNECT L2 TO THE WHITE LEAD. OTHERWISE THE S89 WILL NOT DETECT THE FLAME AND WILL LOCK OUT.
FACTORY TEST TERMINAL. DO NOT USE.

Related product manuals