EasyManua.ls Logo

Honeywell S9240F1004

Honeywell S9240F1004
28 pages
To Next Page IconTo Next Page
To Next Page IconTo Next Page
To Previous Page IconTo Previous Page
To Previous Page IconTo Previous Page
Loading...
S9240F1004 MODULATING HOT SURFACE IGNITION INTEGRATED FURNACE CONTROL
69-2088—01 6
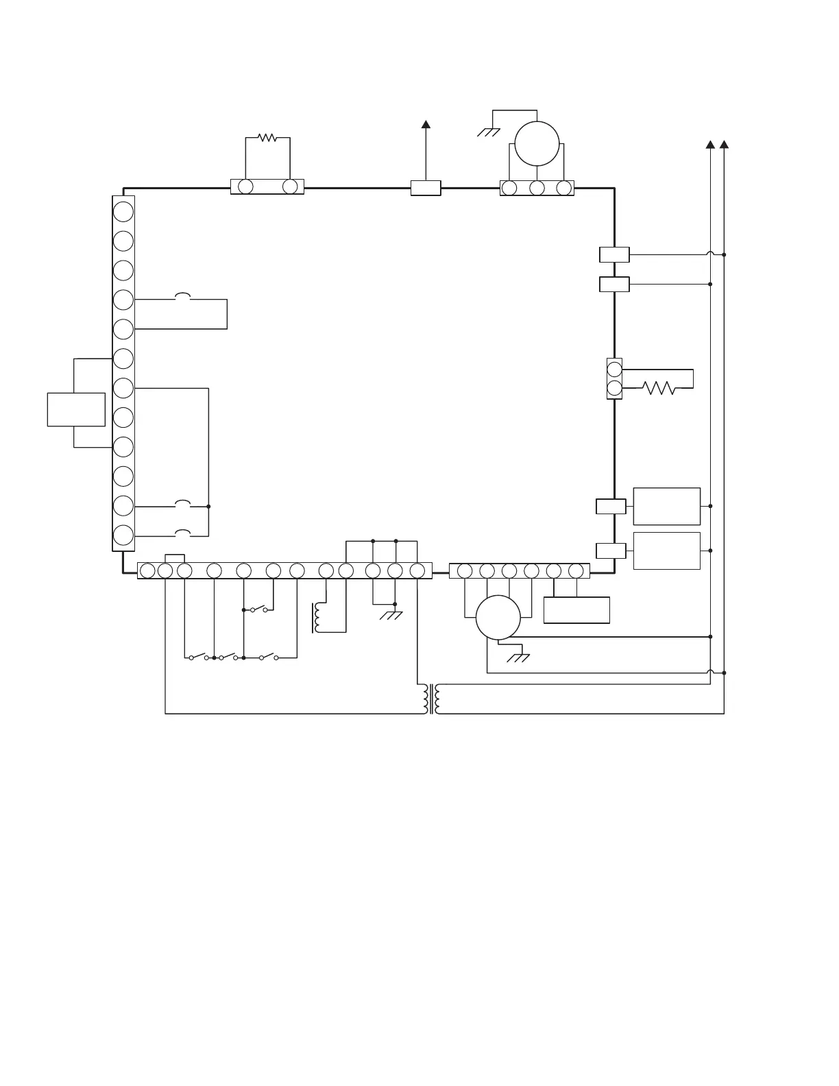
Fig. 2. Typical wiring diagram for S9240F1004 Integrated Furnace Control.
21
312 4
3511 6 1218472109
213
56
M28147
120 V / 60 HZ
AC MAINS
3 PHASE COMBUSTION
AIR INDUCER
95V HSI
FLAME ROD
DISCHARGE AIR SENSOR
(OPTIONAL)
FLAME SENSE
HUM
EAC
LINE VOLTAGE
HUMIDIFIER
(OPTIONAL)
ELECTRONIC
AIR CLEANER
(OPTIONAL)
REGAL
BELOIT
ECM 3.0
INDOOR
AIR BLOWER
24 VAC
MAIN
VALVE
LOW
PRESSURE
SWITCH
HIGH
LIMIT
SWITCH
ROLLOUT
SWITCH
HIGH
PRESSURE
SWITCH
W951
W914
W915
24V
HUMIDIFIER
(OPTIONAL)
L1
L2
1
2
P77
P79
J3
J2
E7
E4
M
W1
G
Y2
Y1
C
R
DH
H
L
O
DS
W2
FURNACE SIZE
IDENTIFIER
L2 L1
M

Related product manuals