EasyManua.ls Logo

Hotblast 1357M - Page 26

Default Icon
32 pages
Print Icon
To Next Page IconTo Next Page
To Next Page IconTo Next Page
To Previous Page IconTo Previous Page
To Previous Page IconTo Previous Page
Loading...
26
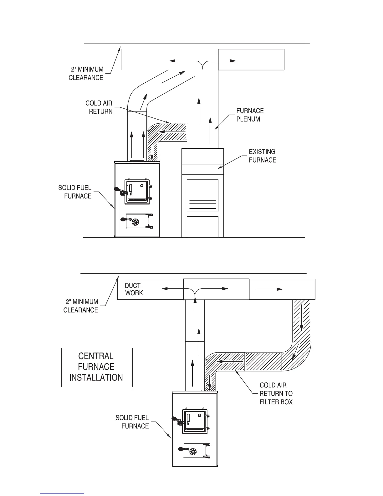
INSTALLATION F
INSTALLATION G

Related product manuals