EasyManua.ls Logo

Hoteche P805201A - Components and controls; Component identification

Hoteche P805201A
18 pages
Print Icon
To Next Page IconTo Next Page
To Next Page IconTo Next Page
To Previous Page IconTo Previous Page
To Previous Page IconTo Previous Page
Loading...
OriginalInstructions [EN]
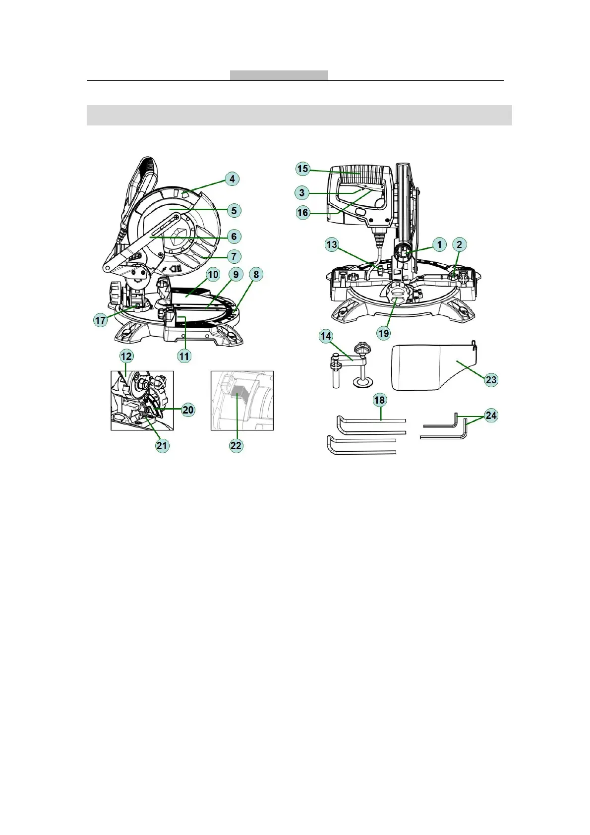
1. Dustextractionport
2. Miterlock
3. Switchlocker
4. Upperfixedbladeguard
5. Bladeboltcover
6. Guardretractionarm
7. Lowbladeguard
8. Miterscale
9. Tableinsert
10.Mitertable
11.Fence
12.Sawarm
13.Releaseknob
14.Verticalclamp
15.Handle
16.Switchtrigger
17.45° Beveladjustmentscrew
18.Supportbar
19.Bevellock
20.Bevelscale
21.0°Beveladjustmentscrew
22.Spindlelockbutton
23.Dustbag
24.Hexkey
Components
and
controls