EasyManua.ls Logo

HP 214B - Page 121

HP 214B
147 pages
Print Icon
To Next Page IconTo Next Page
To Next Page IconTo Next Page
To Previous Page IconTo Previous Page
To Previous Page IconTo Previous Page
Loading...
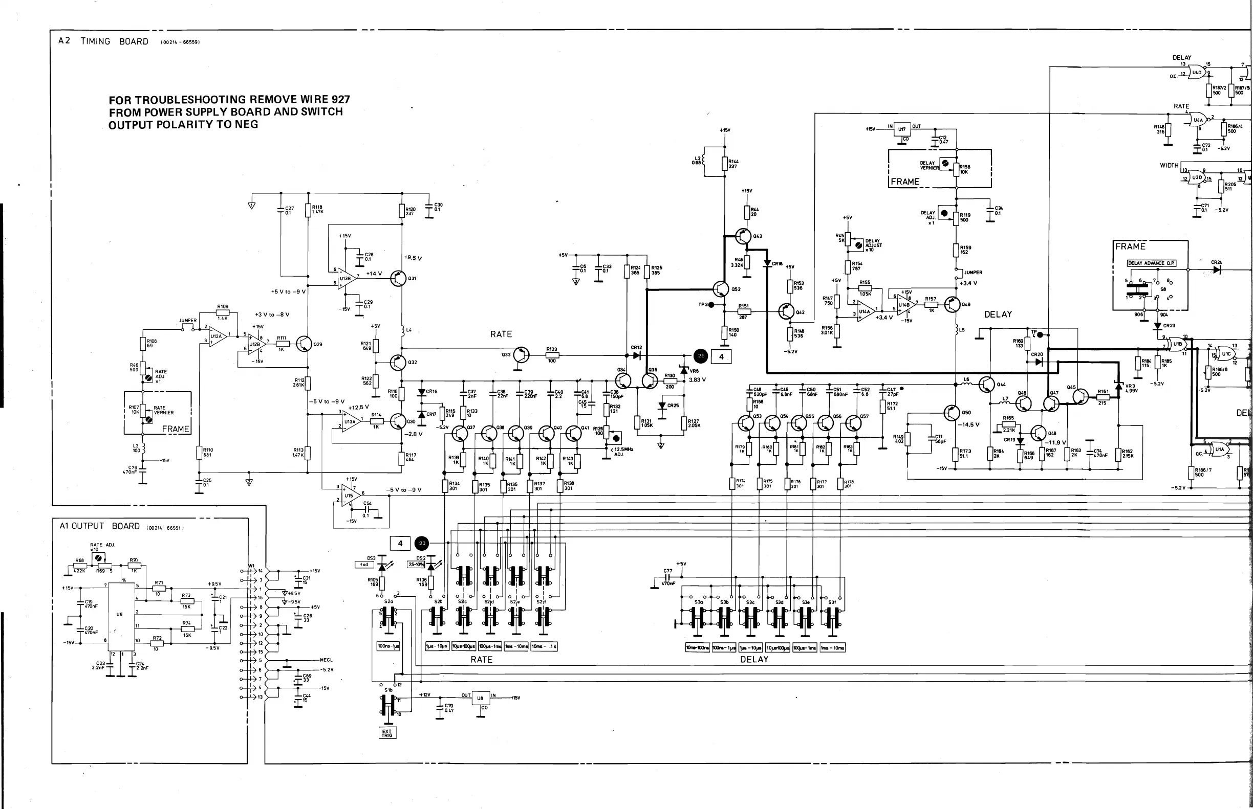
A2
TIMING
BOARD
100214 - 665591
FOR TROUBLESHOOTING REMOVE WIRE 927
FROM POWER SUPPLY BOARD
AND
SWITCH
OUTPUT
POLARITY TO
NEG
C79
470nF I
A1
OUTPUT
BOARD
100214-665511
RATE
ADJ
.
10
+
15V-.-----'j
--.lZi8nF
.l.lc20
470nF
-15V·
....
------"j
U9
R109
C25
1°'
C27
0.1
+5 V
to
-9
V
R118
147K
-
-1.
>--+-----+15V
1
+9.5V
o--ft7
3
I 1
).--.-':""'-+-+5V
>---+----MECL
>-
......
=,---
-5.2V
>-"""-~=-----15V
...
15V
OS3~
c::§]
':f
R10S
169
6
rexTl
~
C30
1°"
RATE
033
RATE
15V
R12'
R125
365 365
L2
0.68
TP3
+15V
R144
237
t1SV
1-.-.mr.1
~
1,,..-10)101
~
1~-'
...
II1ms
-,0
...
1
DELAY
+15V
I
I
I
I
FRAME
__
-----9------'
DELAY
Scans by Artekmedia => 2009

Related product manuals