EasyManua.ls Logo

HP 214B - Page 123

HP 214B
147 pages
Print Icon
To Next Page IconTo Next Page
To Next Page IconTo Next Page
To Previous Page IconTo Previous Page
To Previous Page IconTo Previous Page
Loading...
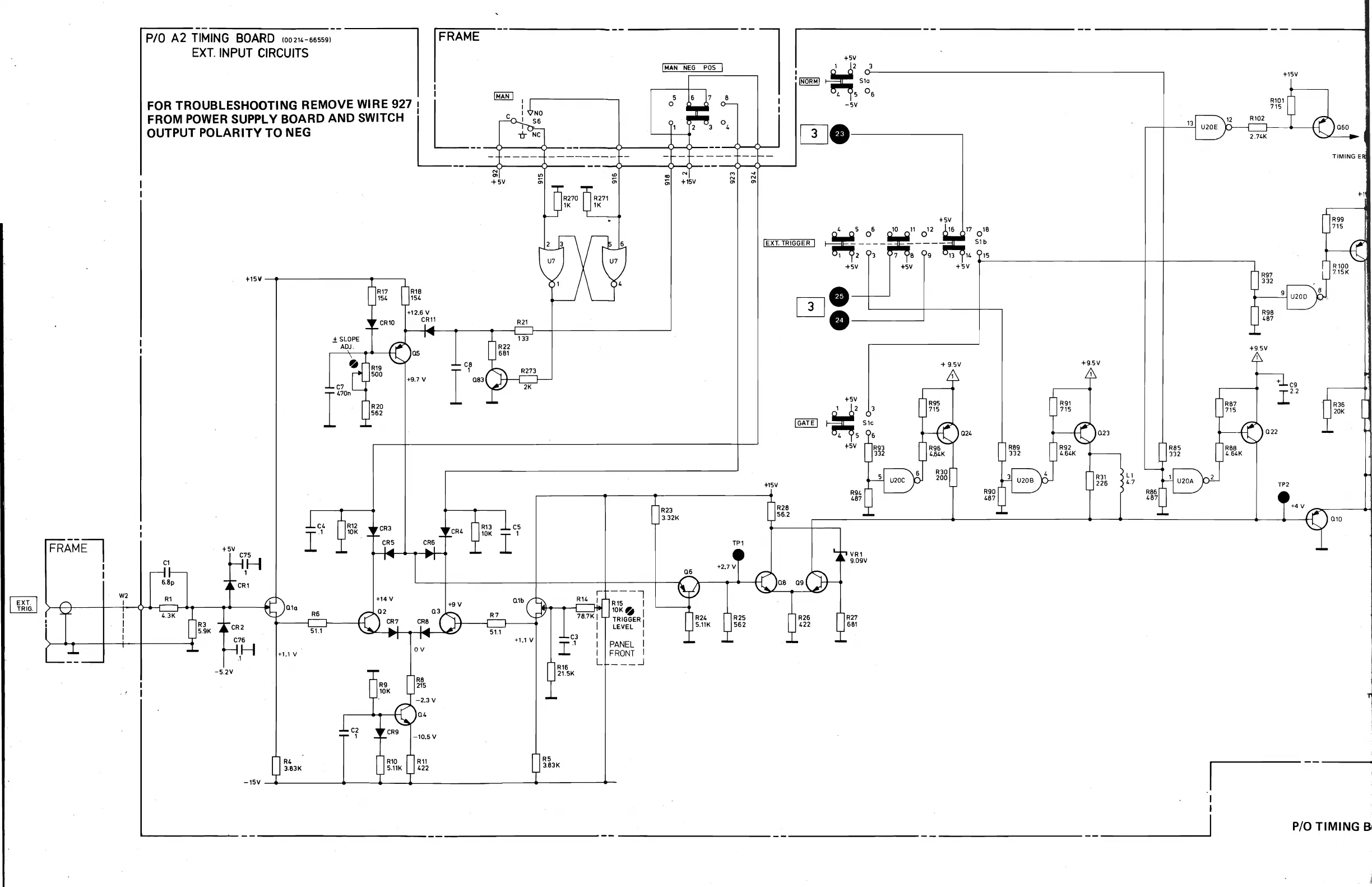
FRAMEl
I
I
W2
~
I
TRIG.
..
PIa
A2
TIMING
BOARD
100214-66559)
EXT.
INPUT
CIRCUITS
I FRAME
--
I
I
FOR TROUBLESHOOTING REMOVE WIRE 927 I L
FROM
POWER
SUPPLY BOARD
AND
SWITCH I I
OUTPUT
POLARITY
TO
NEG L
t5V
Cl
6.8p
Rl
4.3K
-5.2V
tI5V~~--------------~----.
Qla
R4
3.83K
R6
51.1
C7
r~
+9.7
V
:;:
+5V
R7
51.1
alb
R271
lK
---l
Rl5
I
10K.
I
TRIGGER
I
LEVEL
I
PANEL
I
FRONT
I
___
--1
-15V--~----------~----~--~~
____________________
~
__________
~
IMAN
5
0
NEG
POS
N
t15V
8
--l
...
N
0>
I
,
'INORMI
t5V
~
3
Sla
L 5
0
6
-5V
I
EXT.
TRIGGER
I
~:_~~
__
: :
0:
t15V
+5V
t5V
+5V
IGATEI
,~2
~5
t5V
VRI
9.09V
+ 9.5V
17
018
Sib
Q24
15
R90
487
+9.5V
t9.5V
022
+15V
060
TIMING E
+1
TP2
010
PIO
TIMING
Scans by Artekmedia => 2009

Related product manuals