EasyManua.ls Logo

HP 3400A - Page 75

HP 3400A
81 pages
Print Icon
To Next Page IconTo Next Page
To Next Page IconTo Next Page
To Previous Page IconTo Previous Page
To Previous Page IconTo Previous Page
Loading...
1€-
a
Lat
-
3
——Saa
|
!
'
'
1
'
!
!
'
!
jemand
{AC
STABILZING
FEEDBACK?
|
|
at
BeDo-
bet
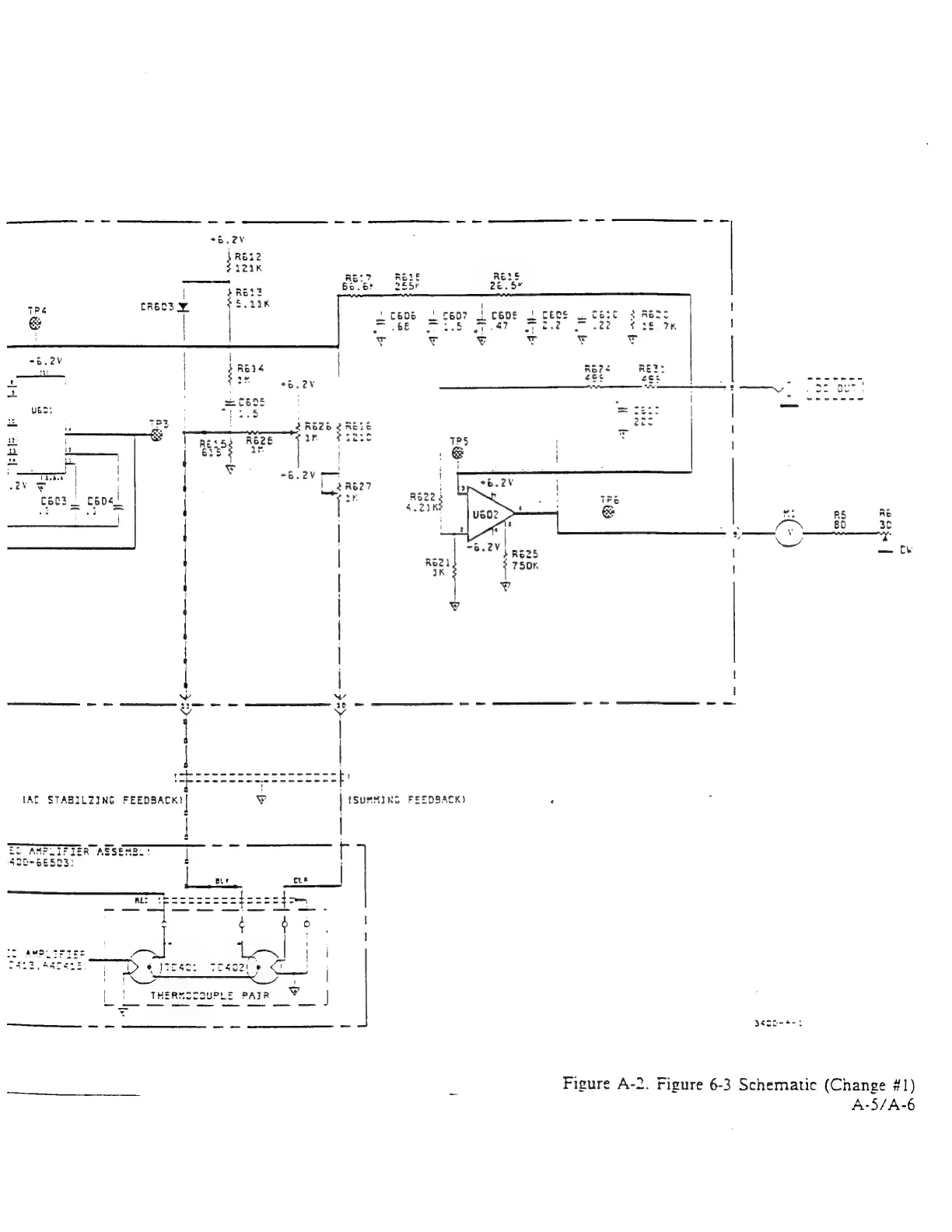
Figure
A-2.
Figure
6-3
Schematic
(Change
#1)
A-5/A-6

Related product manuals