EasyManua.ls Logo

HP 3455A - Page 98

HP 3455A
249 pages
Print Icon
To Next Page IconTo Next Page
To Next Page IconTo Next Page
To Previous Page IconTo Previous Page
To Previous Page IconTo Previous Page
Loading...
Model 345SA
THEORY OF OPERATION
Seciion
VIII
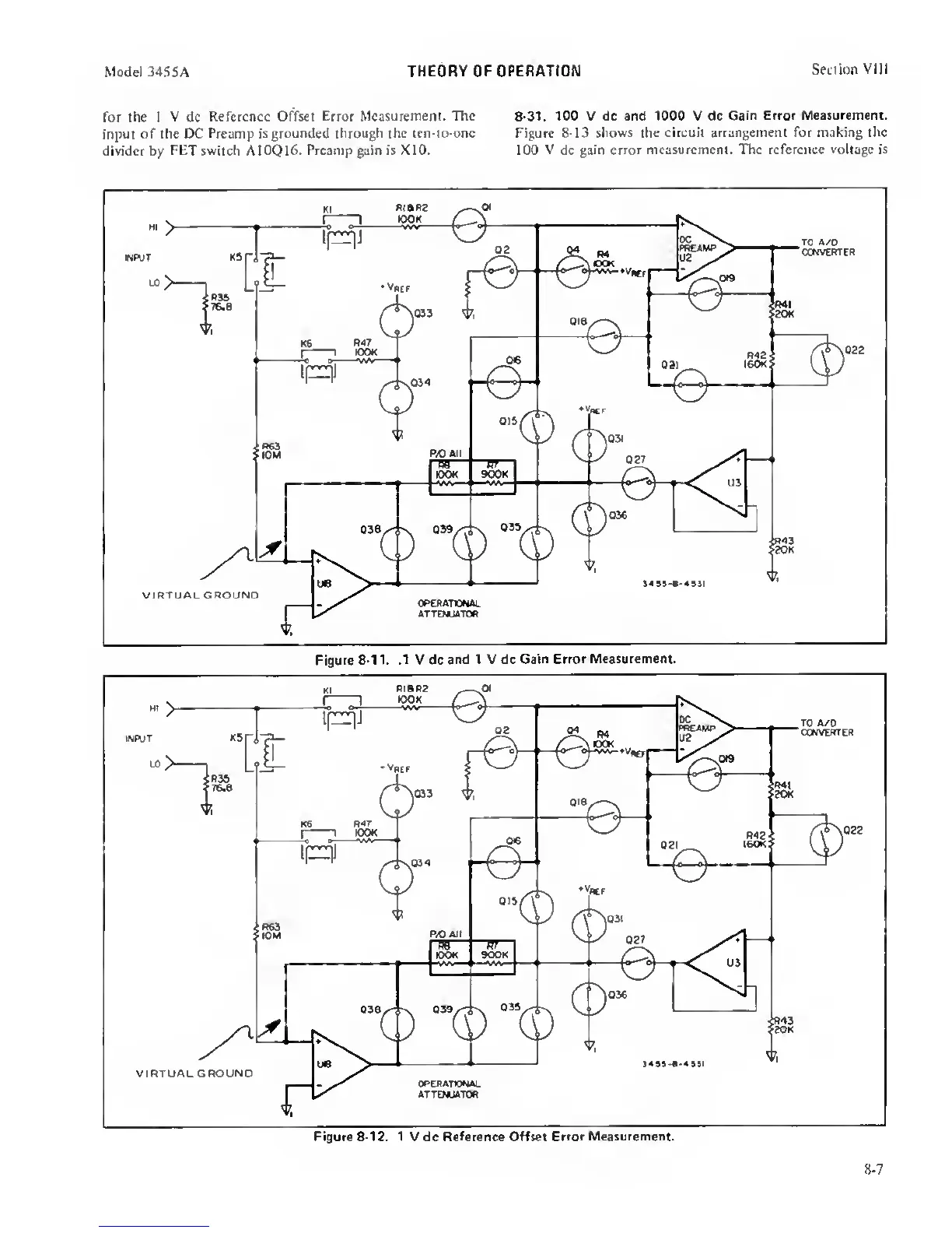
for the I
V
dc
Reference Offset
Error Measurement. The 8-31. 100
V
dc and 1000 V dc
Gain Error Measurement,
input of the DC Preamp is
grounded through the len-to-onc Figure
8-13 shows
the
circuit arrangement for making the
divider by
FET switch
AI0Q16.
Preamp gain is XIO. 100
V
dc gain
error measurement. The reference
voltage
is
Figure
8-1
1. .1 V dc
ar>d 1 V dc Gain
Error Measurement.
Figure
8-12.
1 V dc Reference Offset
Error Measurement.
8-7

Related product manuals