EasyManua.ls Logo

HP 3455A - Page 99

HP 3455A
249 pages
Print Icon
To Next Page IconTo Next Page
To Next Page IconTo Next Page
To Previous Page IconTo Previous Page
To Previous Page IconTo Previous Page
Loading...
SecUon VIII
THEORY OF OPERATION
Model 3455A
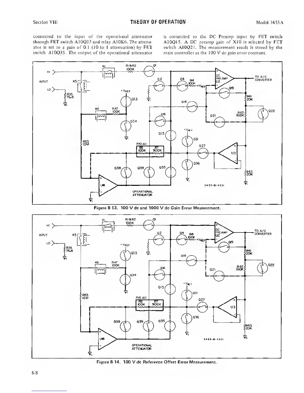
connected to the input
of
the operational
attenuator is connected to the
E>C
Preamp input by FET switch
through
FET
switch A10Q33 and relay AI0K6. The attenu-
A10Q15. A
DC
preamp gain
of XIO
is selected by
FET
atur
is
set
to a gain of 0.1 (10 to I attenuation)
by
FET
switch AI0Q21. The measurement result is stored
by
the
switch AI
0Q3S. The
output
of the operational attenuator main controller as the lOO V dc gain error constant.
Figure
8-13. 100
V dc and 1000 V dc Gain Error
Measurement.
Figure 8-14. 100
V
dc Reference
Offset Error Measurement.
8-8

Related product manuals