EasyManua.ls Logo

HP 5383A - Page 21

HP 5383A
57 pages
Print Icon
To Next Page IconTo Next Page
To Next Page IconTo Next Page
To Previous Page IconTo Previous Page
To Previous Page IconTo Previous Page
Loading...
M
od
el
5383
Α
T
h
eo
r
y
of
O
p
e ratio
n
TIMEBASE
OSC
.
I
NPU
T
50
Ω
PATH
AIFI
SCA
N
OSCILLATOR
[n
1
ΜΩ
1
Ma
X
10
PATH
AlC
R
12
SC
ΗΜΙΤΤ
Γ
-
TRIGGER
--I
AIC
R
13
-5
V
ι
ι
1 . . 1 . . Ι
ι
ι
ι
ι
ι
1
ΜβΕ
ι
-
50
Ω
PATH
ιή
'
τ
"r
. ι
ι
ι
ι
Ι
I
MR
PATH
ΝΟΤΕ
:
ACT
U
A
L
S
W
ITC
H
I
N
G
PER-
F
O
RME
D
BYDC
81
AS
ΟΝ
I
NPU
T
L
I
NE
rh
PLE
I
MULTIPLEXING
'
E
AC
HB
CD
OUT
PU
T
CO
N
SISTS
O
F6
LI
NE
S
.
E
AC
H
IN
PU
T
TO
ΤΗΕ
DISPLAY
CONSISTS
O
F
7
LI
NE
S
.
-5
V
r
-
19
L
ΑΥ
--
MULTIPLEXING
A20"16
R
32
SA
L
AD
J
1
LI
NE
S
7
L
I
NE
S
B
A
L
A
NCE
D
r-
INPUT
A
MPL
I
F
I
ER
DISPLAY
BU
S
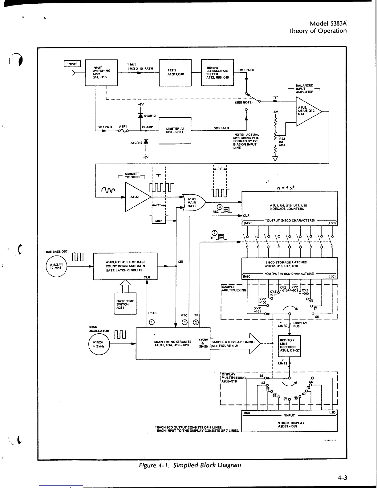
Figure
4-1
.
Simplie
d
B
lock
Diag
r
am
4-3

Related product manuals