EasyManua.ls Logo

HP 5383A - Page 48

HP 5383A
57 pages
Print Icon
To Next Page IconTo Next Page
To Next Page IconTo Next Page
To Previous Page IconTo Previous Page
To Previous Page IconTo Previous Page
Loading...
'
ΟΡΤΙΟ
%001
CO
UN
TERO
NL
Y
N
OT
E
S
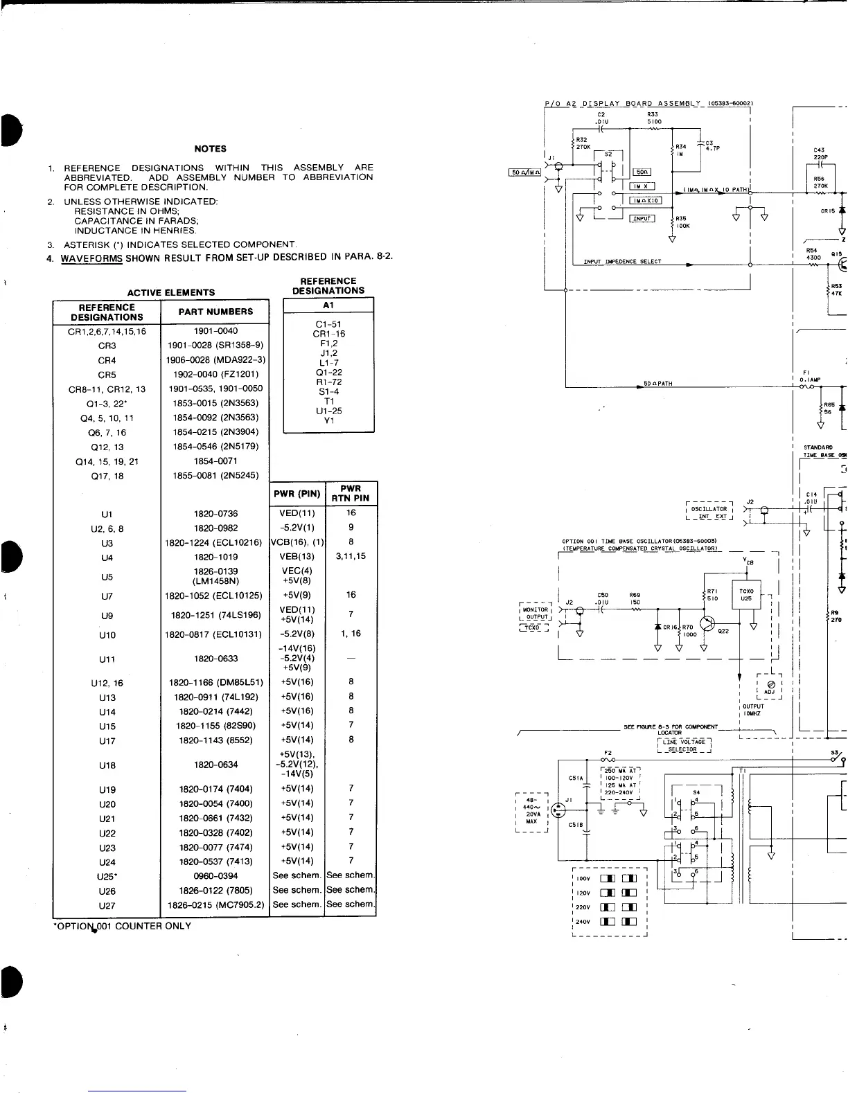
1
.
REFEREN
C
E DE
SIG
NATION
S
WIT
H
I
N TH
IS
ASS
EMBL
Y
A
RE
A
BBREV
IAT
ED
.
ADD
ASS
EMBL
Y
N
U
MBER
TO
A
BBREV
IATIO
N
F
OR
CO
MPL
E
T
E
DE
SC
R
I
P
TIO
N
.
2
.
UNLE
SS
OT
HE
R
W
IS
E
I
NDICATED
:
RE
SISTANCE
IN
OHM
S
;
CA
P
ACITA
NCE
IN F
AR
ADS
;
I
N
D
U
CTA
NC
E
IN
HEN
RI
ES
.
3
.
ASTER
ISK
(-)
I
N
DICAT
E
SSELE
CT
E
D
CO
MP
O
NEN
T
.
4
.
W
A
VEF
O
R
M
S
S
H
O
WN
RE
SUL
T
FR
O
MS
E
T-
UPD
E
SC
R
I
BED
IN
P
A
R
A
.
8-2
.
REFEREN
C
E
ACTIVEELE
M
ENTS
D
E
SIG
NATIO
N
S
50-
Μη
Ι
MO
NI
TO
R
Ι
ι
OUT
P
UT)
Cz
c
P/0
Α
2
D
I
S
PL
AY
B
OA
RD
ASSEMBLY
(05383-60002)
C2
R
α
3
.
οιυ
5100
OPTION
001
TIME
BAS
E
OSC
I
LL
ATOR(05383-60003)
(T
E
M
PER
ATU
RE
CO
M
PEN
SAT
ED
CRYSTA
L
OSC
I
LL
ATOR)
ιΜ
χ
INPUT
Ι
SEE
FIGU
RE
6-3
FO
R
CO
MP
O
NE
NT
LOCATOR
LI
NE
VO
L
TAG
E
ι
S E
LECTOR
-
J
Ι
OUTPUT
Ι
Ι
ΟΜΗΖ
C43
220
Ρ
REFEREN
CE
PART
NUMBER
S
Α
1
DE
SIG
NATIONS
C
R
1,2,6,7,14,15,16
1901-0040
C1-51
C
R
1-16
C
R3
1901-0028
(S
R
1358-9)
F
1,2
J
1,2
C
R
4
1906-0028
(
M
DA922-3)
L
1-7
C
R5
1902-0040
(
F
Z1201)
Q1-22
R
1-72
C
R
8-11,
CR
12,
13
1901-0535,1901-0050
S1-4
01-3,22'
1853-0015
(2
Ν
3563)
Τ
1
υ
1-25
04,
5,
10,
11
1854-0092
(2
Ν
3563)
Υ
1
16
1854-0215
(2
Ν
3904)
Q6,
7,
Q12,13
1854-0546
(2
Ν
5179)
Q14,
15, 19,
21
1854-0071
017,18
1855-0081
(2
Ν
5245)
PWR
(PIN)
P
WR
RTN
PIN
U
7
1820-0736
VE
D(11)
16
U
2,
6,
8
1820-0982
-5
.2
V
(1)
9
U
3
1820-1224
(
E
C
L
10216)
V
C
B(16),
(1)
8
U
4
1820-1019
VEB
(13)
3,11,15
1826-0139
VE
C(4)
U
5
(
L
M
1458
N
)
+S
V
(8)
U7
1820-1052
(
E
C
L
10125)
+5
V
(9)
16
U9
1820-1251
(74L
S196)
VE
D(11)
+5
V
(14)
7
υ
l
ο
1820-0817
(
ε
C
L
1
0131) -5
.2
ν
(8)
1,16
-14
ν
(16)
U11
1820-0633
-5
.2
V
(4)
-
+5
ν
(9)
U12,16
1820-1166
(D
M
85
L
51) +5
V
(16)
8
U
13
1820-0911
(74092)
+5
V
(16)
8
U
14
1820-0214
(7442) +5
V
(16)
8
U
15
1820-1155
(82S90)
+5
V
(14)
7
U
17
1820-1143
(8S52) +5
V
(14)
8
+5
V
(13),
U
18
1820-0634
-5
.2
V
(12),
-14
V
(5)
U
19
1820-0174
(7404)
+S
V
(14)
7
U
20
1820-0054
(7400) +S
V
(14)
7
U21
1820-0661
(7432) +5
V
(14)
7
U
22
1820-0328
(7402) +5
V
(14)
7
U
23
1820-0077
(7474) +S
V
(14)
7
U
24
1820-0537
(7413) +5
V
(14)
7
U
25'
0960-0394
See
sch
em
.
See
sch
e
m
.
U
26
1826-0122
(7805)
See
sc
he
m
.
See
sch
em
.
U
27
1826-0215
(
M
C7905
.2)
See
sc
he
m
.
See
sc
h
em
.

Related product manuals