EasyManua.ls Logo

HP 8340b - Page 346

HP 8340b
530 pages
Print Icon
To Next Page IconTo Next Page
To Next Page IconTo Next Page
To Previous Page IconTo Previous Page
To Previous Page IconTo Previous Page
Loading...
r
A25
ALC
DETECTOR
~~-1
A26
LINEAR
MODULATOR
i
1
1
1
1
1
n.un
l
li
TP1
DUAL
SLOPE
SAMPLE
DETECTOR INPUT
/
»
LIH,l,U(
^
|p^
i
V-I—1^
r^
T
^
^
BAND 0
.
1
MY''' |———
^
-
D 1
^^
DETECTOR INl'UT
/
j \j -" J- I/-"
^
1 1
?
LWJ
,
=1-
-
-
J
,—————W\r-1
\ \
1
' '
THEflMISTOR
/-+.
FOR OETECTDR
1
^
J
|
^ ^
TEMP COMP
"t-
'
|
DET
S/H
-
J
LVLCOR
|
+1.25
d;)/V
(FROM
A27 C'IMP
SUMMING
^'^P)
|
*
°»
[
i—w-——n————0'°————
1
ABSOLUTE
VALUE
CTTE9MAL
MTR
|
CONVERIER
LOGGER
^
1^
f^
r-
/
:>—————^AA,—————
———
••
'^
i
^
Y^
1
TP3
I*
.—————VA——1
V
§
LEV
|
^
TEMP
L-REF
[
^
p
0V AT
OlBm
|
•h200m';/dB
1———1———————————————————————————————————————————————————————————————————————————W.————t———
|
-,
t
/ ,
^
(FROM
W7
|
IN
TEST
MODE
(
[sHIFT] [METER]
)
J-L^^'^
Dv AT ollBm
ALC
REF
CEN i]AC)
j
INPUT
IS
CONTROLLED 9Y FRONT
V
|
-2DOmV/da
f PANEL
ROTARY
KNOB.
1
POS
T.C,
-W^-\
EL
REFERENCE
COMPENSATION
-Wv—————
i
OS
T.C.
R
J^
«
LEVEL METER
AMP
XB.B
^>^
^
ST
0-<—C
——0 EXT
!
TP4
|
DETl-VL
1
LVL
0V AT Od9m
,,,
,.,
!AM
IN
i^,
-200MV/dB
i———•
|'
P7
EF
k
(T
ML
<
1
1
1
1
1
1
1
1
1
1
D
A27
LTIPLEXER)
MARKER
[=—'
r:,;——-!
MOTHERBOARD
GETOUT
^
0V AT
Odam
+30mV/da
1
1
1
1
TCREF
'
\
/
1
1
1
1
1
1
1
^
TP2
DET
T
•———1——W\——r
1
!
1
1
1
1
1
1
1
1
1
^
^
TF
Ak
—M
LOOP
SUMMING
POINT
——————(
1
<
INTEGRATE/
HOLD
GATE
RF OFF
^
RF ON
i——|/'-^
NORMAL
^
o———————w^——————1
TEST
———|
awn
|—————
D^
———)[——D
^3——
———»!———————————
o-y^
o-^v—
LOOP
GAIN
ADJUSTMENTS
TP3
UODLVL
T
j>-y^—
/o-y^
y
..y
——————————P^
L,
r~^
"3.5V
f
-^^
i
+0.2V——\*^'
EXPONENTIAL TP5
CURRENT
MOD
i
SOURCE *
r^
T
-^
v
i
i
ALC
f
UODULATOR
|
SWITCH
-^
L
MODLO
(TO AB
3.7GHZ
1 OSCILLATOR)
1
1
1
MGDHI
(TO
A1B
BAND
1-4
MODULATOR/
[
SPLITTER)
1
-10V
OFFSET
CURRENT
1__———.
.———J
I———
J
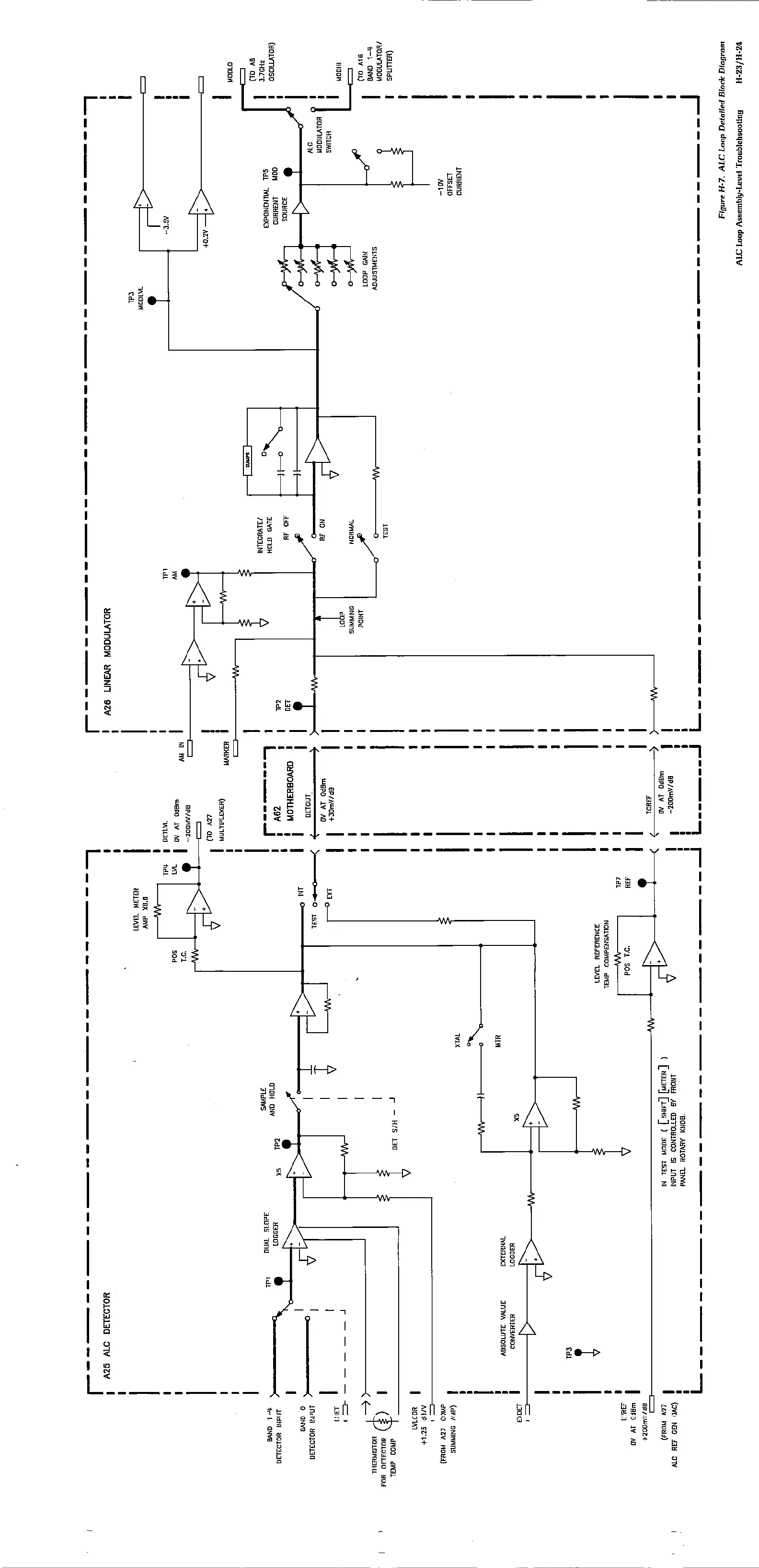
Figure
H-7.
ALC
Loop
Detailed Black
Diagram
ALC
Loop
Assembly-Leuel Trouble
h
Booting
H-23/H-24

Table of Contents

Other manuals for HP 8340b

Related product manuals