EasyManua.ls Logo

HP 8903B - Page 201

HP 8903B
240 pages
Print Icon
To Next Page IconTo Next Page
To Next Page IconTo Next Page
To Previous Page IconTo Previous Page
To Previous Page IconTo Previous Page
Loading...
7-1
--------
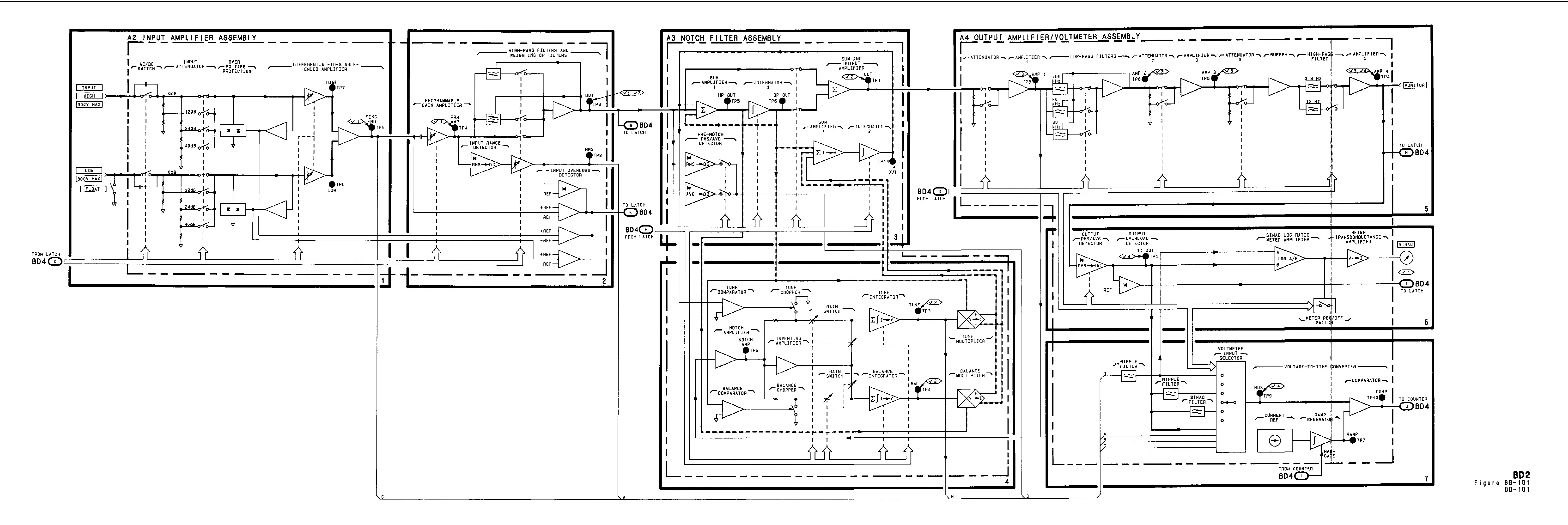
A4
OUTPUT AMPlIFIER/VOLTMETER
--
ASSEMBAY
I--
-- --
A2 INPUT AMPLIFIER
--
ASSEMBLY
r--
-
--,I
--
A3 NOTCH FILTER ASSEMBLY
--
I--
,
HIGH-PASS
FILTERS
AN0
,
WEIGHTINO
EP
FILTERS
--1
--
--
1
I
I
I
I
I
I~ATTENUATOR-\~AHP IFIER-,,-LOY-PASS
I
FILTERS~~ATTENUATOR-\rAMPLIFIER-\rATTENUATOR-\rBUFFER-\~HIGH-PAS
-rAMPLIFIER-\
I
3
3
FILTER
1
4
2
INPUT OVER-
'r::{:iH
T
7
ATTENUATOR
-
PVOLTAGE
I
PROTECTION
-DIFFERENTIAL-TO-SINGLE-
-
ENOEO AMPLIFIER
I
I
I
I
I
I
I
I
I
I I
I
I I
I
I
I
I
I
I
I
-
-
PROGRAMMABLE
-GAIN AMPLIFIER'
(6)
BD4
TO
LATCH
ro
LATCH
(K)BD4
I
I
I
I
I
-
3
t
I
I
I
II
-
1
1
5
1
I
1
I
OUTPUT OUTPUT SINAO LOG RATIO
I/
METER
I
rMETER
A.TRANSCONOUCTANCE-\
AMPLIFIER
-
-
?RMS/AVG
T
-OVERLOAD
-
OETECTOR
DETECTOR
OC OUT
-1
-1
TPl
-
-
-
-
I
TO LATCH
I
I
6
FROM
LATCH
L
1
I
I
I
I
I
I
TUNE
TUNE
CCOMPARATOR
IN~EGRA~QR
BALANCE
r~~~~~~~~~~
VOLTMETER
c
INPUT
y
SELECTOR
RIPPLE
'FILTER
-\
'FILTER
-\
,-VOLTAGE-TO-TIME bNVERTER
-
I
0
0
0
I
I
A
I
I
I
I
I I
I
..
I
BD2
Figure
88-101
88-101

Related product manuals