EasyManua.ls Logo

HP 8903B - Page 216

HP 8903B
240 pages
Print Icon
To Next Page IconTo Next Page
To Next Page IconTo Next Page
To Previous Page IconTo Previous Page
To Previous Page IconTo Previous Page
Loading...
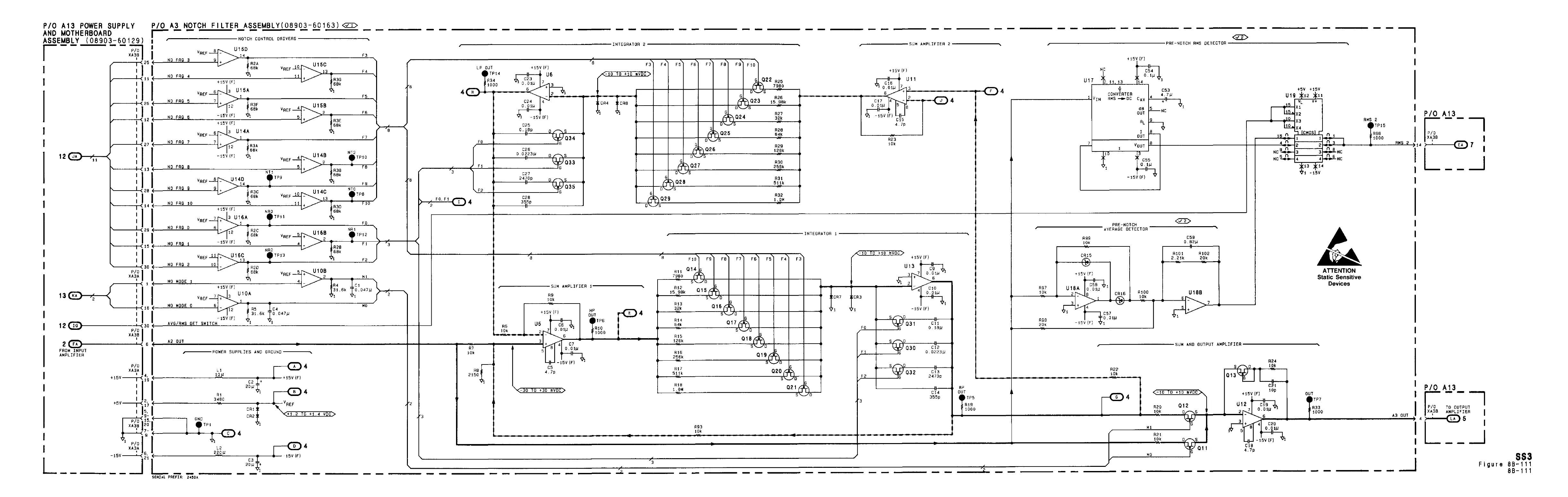
P/O A13 POWER SUPPLY
AND MOTHERBOARD
ASSEMBLY (08903-60129)
---
---
a
I
PRE-NOTCH RYS OETECTOR
I
NOTCH CONTROL DRIVERS
I
INTEGRATOR
2
.
,
sun
AMPLIFIER
2
\
XA3?
I
ti5V IF)
LP
OUT
t15V
IF1
C25
,,
Q34
R23
1Ok
/
FO
C26
0
022311
0-5
Q33
\
I
Fl
'3
C27
1
<I
Q35
\F2
c20
<I)4
355p
t
,
FO.F1
'2
I
I
I
I
I
I
I
I
I
I
I
I
I
I
1
+5v
1i5v
PI0
A13
I
I
I
a
PRE-NOTCH
AVERAGE OETECTOR
,
\
I
INTEGRATOR
1
.
R39
c59
1Ok
0.0211
'8
'E
+15v(F)
-10
TO
ti0
mvoc>
2.211
115V
IF1
ATTENTION
Static Sensitive
Devices
NO
MODE
1
sun
AMPLIFIER
1
AVGIRWS
OET
SWITCH
"1 "1
...
,
5UW AN0
OUTPUT
AMPLIFIER
.
A2 OUT
-
-POWER SUPPLIES AND
GROUNO-
Ll
c5
4.7p
<-30
TO
t30
nVDC>
020
R17
5111
suo
I
I
R22
10k
1
02
1
R10
1.011
SUO
P/O
A13
YA30 AMPLIFIER
I
I
II
I
OUT
10P
8'
115V
IF1
n-
I
A3 OUT
1
OUT
I
M1
tl.2
TO
t1.4
voc>
1
OTP1
033
91
L2
22011
-
r
I
ss3
I
HO
Figure
86-111
86-111

Related product manuals