EasyManua.ls Logo

HP 8970B - Driver Assembly Modifications

HP 8970B
40 pages
Print Icon
To Next Page IconTo Next Page
To Next Page IconTo Next Page
To Previous Page IconTo Previous Page
To Previous Page IconTo Previous Page
Loading...
4-4 HP 8970B Option 020 Service Manual Supplement
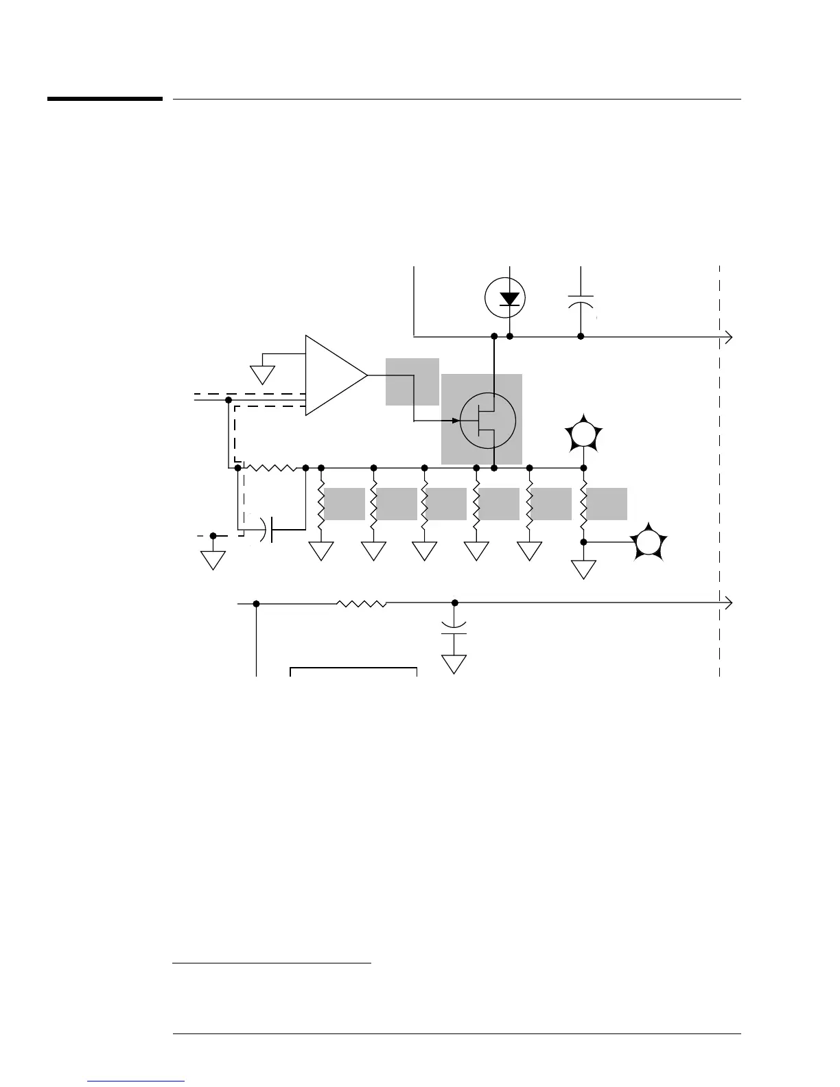
Board Differences
Driver Assembly (08970-60089)
Driver Assembly (08970-60089)
The 08970-60089 assembly has been created from the 08970-60034 assembly with the
following changes:
1. R25, 26, 27, R39, R40 and R41 change from 214.2 (0699-1911) to 121 (0699-
3460)
2. Q2 is deleted and a wire is place between U33 pin 14 and the base of Q3.
Figure 4-2: Schematic differences in 08970-60089
1
1.Differences are highlighted with a shaded background.
R25
121
C28
1 uF
Q3
U33D
+
-
12
13
14
3
3
L
C55
1000 pF
VR2
13V
R24
3060
3
R26
121
3
R27
121
3
R39
121
3
R40
121
3
R41
3
19
8
1ST LO
DRIVE
1ST LO
GND
R57
100
C58
6.8 uF
5
V (F1)
-5 VOLT
REGULATOR
3
+
(SEE NOTE 9)
G
D
S
121

Related product manuals