EasyManua.ls Logo

HP 8970B - Input Section Schematic (Assembly 08970-60125)

HP 8970B
40 pages
Print Icon
To Next Page IconTo Next Page
To Next Page IconTo Next Page
To Previous Page IconTo Previous Page
To Previous Page IconTo Previous Page
Loading...
HP 8970B Option 020 Service Manual Supplement 6-7
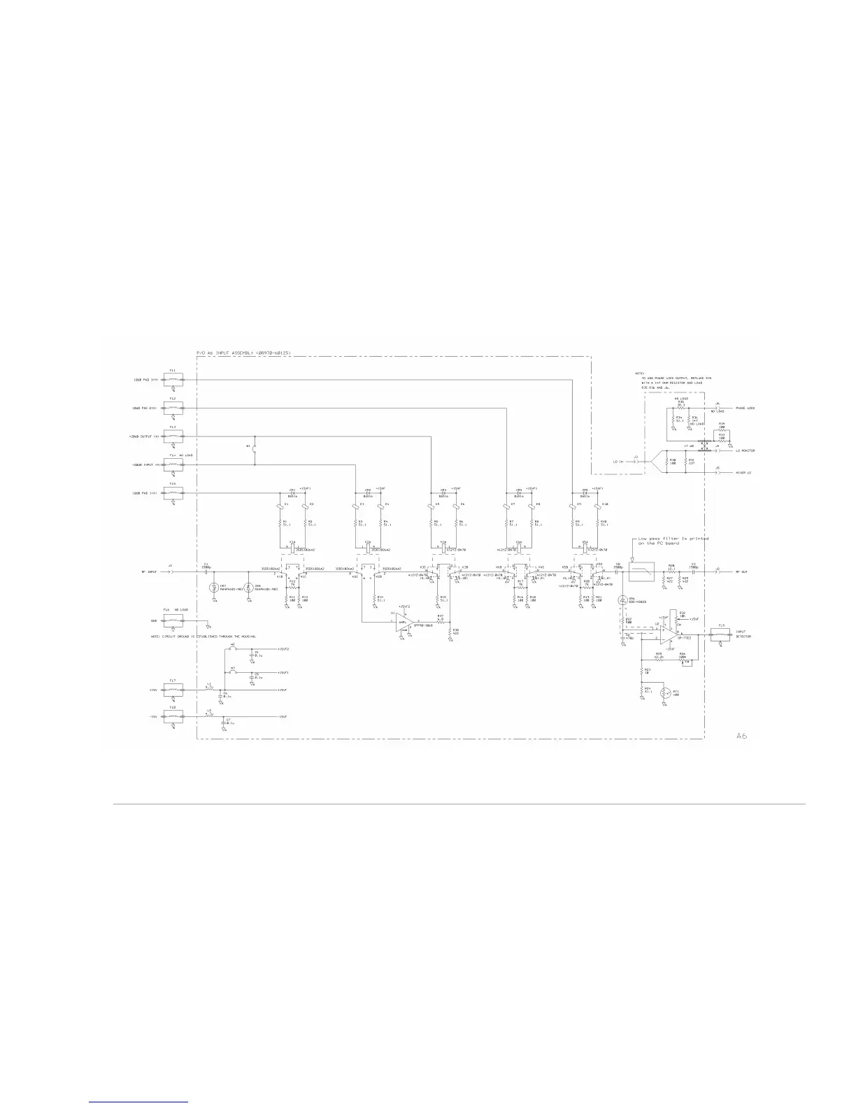
Board Details
Figure 6-6: Input Section Schematic (for Assembly 08970-60125)

Related product manuals