EasyManua.ls Logo

HP 9830 - Page 29

HP 9830
42 pages
Print Icon
To Next Page IconTo Next Page
To Next Page IconTo Next Page
To Previous Page IconTo Previous Page
To Previous Page IconTo Previous Page
Loading...
U62-14
7490
12
Q1
9
Q2
8
Q4
11
Q8
C1n
14
2
R0
3
R0
7
R9
6
R9
1
nWTC
WTC
C248n
10
9
U62-18
8
13
12
U62-12
11
nRCL
13
12
U62-18
11
4
5
U62
-18
6
10
11
U62-11
DCL
13
12
U62-10
11
RUN
WTC
4
nS
U62-5
7474
5
Q
6
nQ
D
3
Cp
2
nR
1
4
3
U62-11
RMK
RUN
10
nS
U62-8
7474
9
Q
8
nQ
D
11
Cp
12
nR
13
WTC
12
13
U62-11
5
4
U62-10
6
8
9
U62-11
4
U62-9
6
3
5
1
U62-9
12
2
13
11
12
U62-17
13
nSTOP
WTC
1
2
U62
-18
3
CTMb
6
5
U62-11
RMK
TP6
WMK
N62.T
TP11
10
9
U62-12
8
WTC
4
nS
U62-8
7474
5
Q
6
nQ
D
3
Cp
2
nR
1
FLG
TP4
RCB
TP10
WCL
N62.U
N62.16
N62.15
TP1
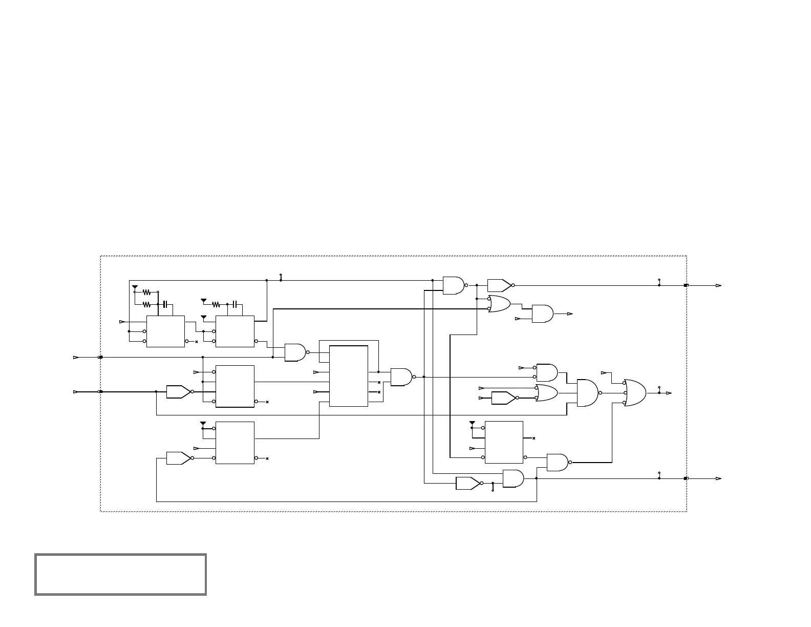
HP 9830 Computer
Section: Tape Data Clock
Page: T4 Rendition: 2014 Dec 26
First-flag
suppression FF
First-mark
generation FF
Tp
3
Tn
5
4
Tn
U62-13
74121
0.2mS
6
Q
1
nQ
10
11
6.81K
0.047
Tp
3
Tn
5
4
Tn
U62-6
74121
0.13mS
6
Q
1
nQ
10
11
4.12K
0.047
82.5K
TAPE CONTROL
Assembly 62

Related product manuals