EasyManua.ls Logo

HP 9830 - Page 30

HP 9830
42 pages
Print Icon
To Next Page IconTo Next Page
To Next Page IconTo Next Page
To Previous Page IconTo Previous Page
To Previous Page IconTo Previous Page
Loading...
4.99K
1.00M
1.00M
4.99K
R24
24.3K
0.01
33
R25
19.6K
4.99K
7
14
V+12
V–12
0.1
1.00M
5
6
1.00M
1
U66-2
UA739
1.13K
6
5
U66-1
2
1
U66-1
4
3
U66-1
N65.12
3.3K
1.13K
4.99K
R22
24.3K
0.01
33
3
4
og
bu
9
8
13
U66-2
1.13K
8
9
U66-1
12
13
U66-1
10
11
U66-1
N65.P
3.3K
1.13K
11
10
rd
yl
14
7
N65.11
N65.M
N65.N
1
35V
N65.K9
N65.J8
0.01
N65.15
V+12
V+12
0.01
N65.S
V–12
V–12
V–12
1
35V
1
35V
V+12
N65.L10
N63.C
N63.3
N63.4
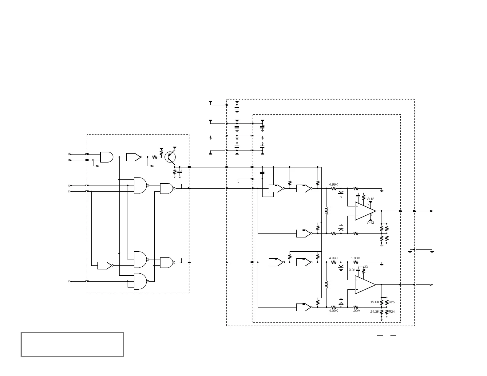
TAPE INTERCONNECT
Assembly 65
TAPE R/W HEAD
Assembly 66
WEN
WDA
WDB
ARA
ARB
11
U63-2
8
10
9
2.2K
Q7
3-020
2.2K
2.2K
1
U63-2
12
2
13
5
U63-2
6
4
3
0.1
4
5
6
U63-3
2
1
3
U63-3
TP2
TP3
10
11
U63-4
10
9
U63-1
8
N63.5
N63.13
N63.S
2
1
U63-4
N63.T
N63.16
WPT
WTC
WCL
WDT
WMK
WTC
REN
TAPE READ/WRITE
Assembly 63
gn
bk
og
bu
bn
rd
yl
gy
vi
rear
front
HP 9830 Computer
Section: Tape Read/Write
Page: T5 Rendition: 2014 Dec 26
R22 R24
9830: 28.7K 28.7K
9865-0869: 24.3K 26.1K
9865-1570: 15.8K 15.8K
R23
19.6K
NH.9
NH.6
NH.8
NH.7
NH.2
NH.4
NH.1
NH.5
NH.3

Related product manuals