EasyManua.ls Logo

HP LaserJet 4L - Page 115

HP LaserJet 4L
306 pages
To Next Page IconTo Next Page
To Next Page IconTo Next Page
To Previous Page IconTo Previous Page
To Previous Page IconTo Previous Page
Loading...
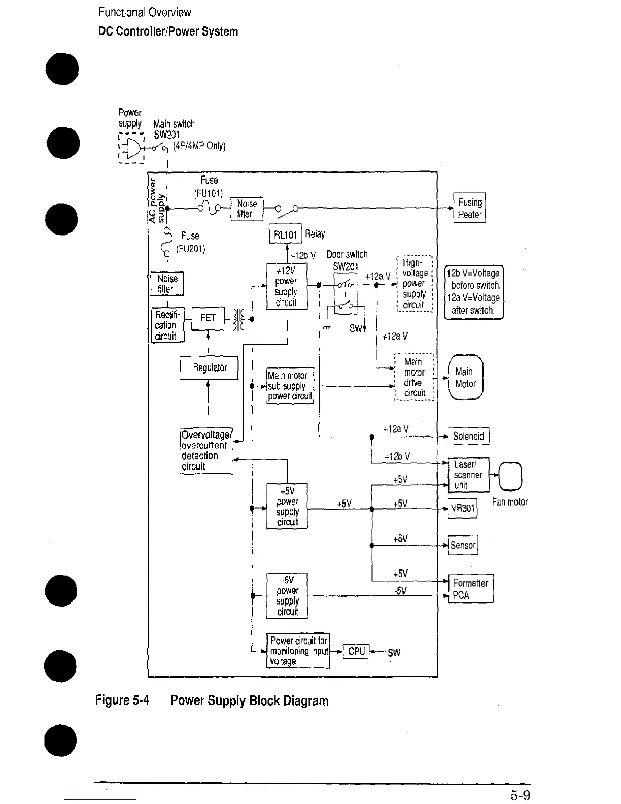
Functional Overview
DC Controller/Power System
Power
supply Main switch
r ---,
SW201
I
*1
[4P/4MPOnly)
II
----
~ Fuse
Y
(FU201)
2
NoW
filter
a
Regula!or
Overvoltage/
Iovercurrent
detection
circuit
Mm,
f+12bV
o
+12V
power
supply
circuil
I
n
Mainmotor
sub supply
oower circuii
1
Door switch
...........
SW201
: H]gh- :
-k” :
T, +12av 1 uOlta9e\
;
power ;
k+ 1 ‘up’”:
:
circult ,
...... . ....
!-
...........
~ Main
: momr
----.-i dflve
; drcuit
+12a V
K
+5V
I
-----w
F---
e
m
morvionmginput ~-SW
D
Fusing
Heeter
c1
12b V=Voltage
before switch
12aV=Voltage
after switch,
o
Main
Motor
d Solanoid I
m
‘El
VH301
Fanmotor
+5!!!!
E
Formetter
PCA
Figure 5.4
Power Supply Block Diagram
5-9

Related product manuals