EasyManua.ls Logo

HPRT MT810 - Page 26

HPRT MT810
32 pages
Print Icon
To Next Page IconTo Next Page
To Next Page IconTo Next Page
To Previous Page IconTo Previous Page
To Previous Page IconTo Previous Page
Loading...
产品净重: 约1kg (不含配件)
电池参数: 7.4V, 2500mAh 工作温度: 0℃~40℃
执行标准: GB4943.1-2011, GB/T9254-2008, GB 17625.1-2012
产品名称: 便携打印机
产品型号: MT810
产品尺寸: 280 x 95 x 51.4mm
中的件、为示图,
新与级,有差异,
品有息,客服
产品参数
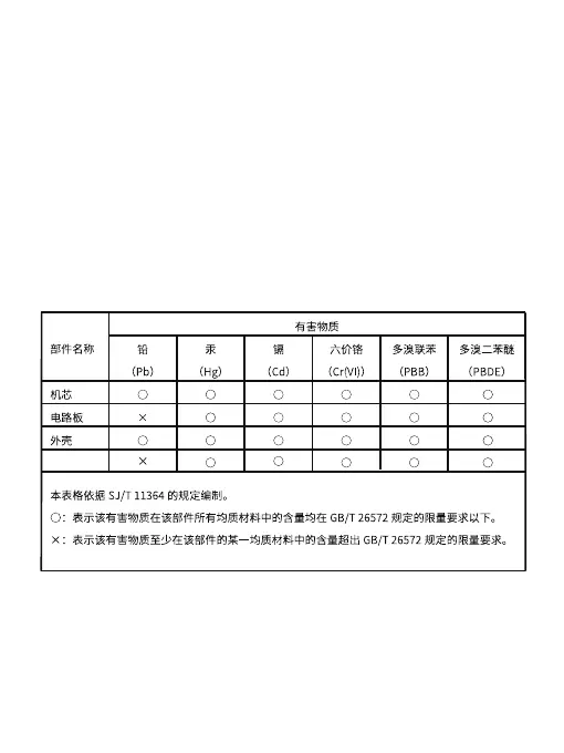
产品中有害物质的名称及含量
24
电池

Related product manuals