EasyManua.ls Logo

HRS HT307 - 工具の外観および各部の名称; Configuration of the Tool

HRS HT307
20 pages
Print Icon
To Next Page IconTo Next Page
To Next Page IconTo Next Page
To Previous Page IconTo Previous Page
To Previous Page IconTo Previous Page
Loading...
9
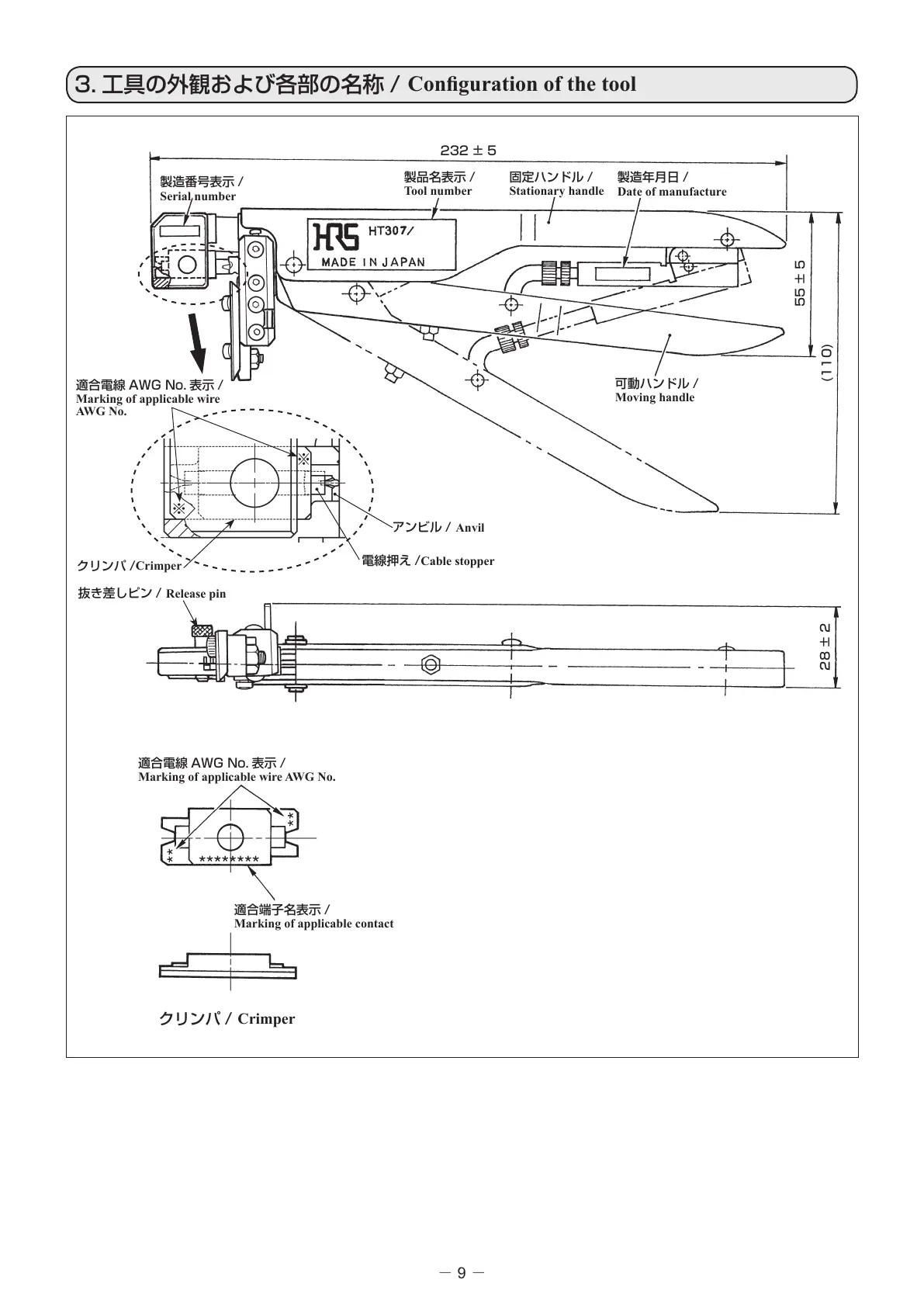
3. 工具の外観および各部の名称 /
Conguration of the tool
製品名表示 /
Tool number
製造番号表示 /
Serial number
可動ハンドル /
Moving handle
製造年月日 /
Date of manufacture
抜き差しピン /
Release pin
232 ± 5
(110)
固定ハンドル /
Stationary handle
55±5
28±2
適合電線 AWG No. 表示 /
Marking of applicable wire AWG No.
適合端子名表示 /
Marking of applicable contact
クリンパ /
Crimper
クリンパ /
Crimper
アンビル /
Anvil
適合電線 AWG No. 表示 /
Marking of applicable wire
AWG No.
電線押え /
Cable stopper
Aug.1.2017 Copyright 2017 HIROSE ELECTRIC CO., LTD. All Rights Reserved.

Table of Contents

Related product manuals