EasyManua.ls Logo

HS 6200 - Wiring Diagram Details

Default Icon
36 pages
Print Icon
To Next Page IconTo Next Page
To Next Page IconTo Next Page
To Previous Page IconTo Previous Page
To Previous Page IconTo Previous Page
Loading...
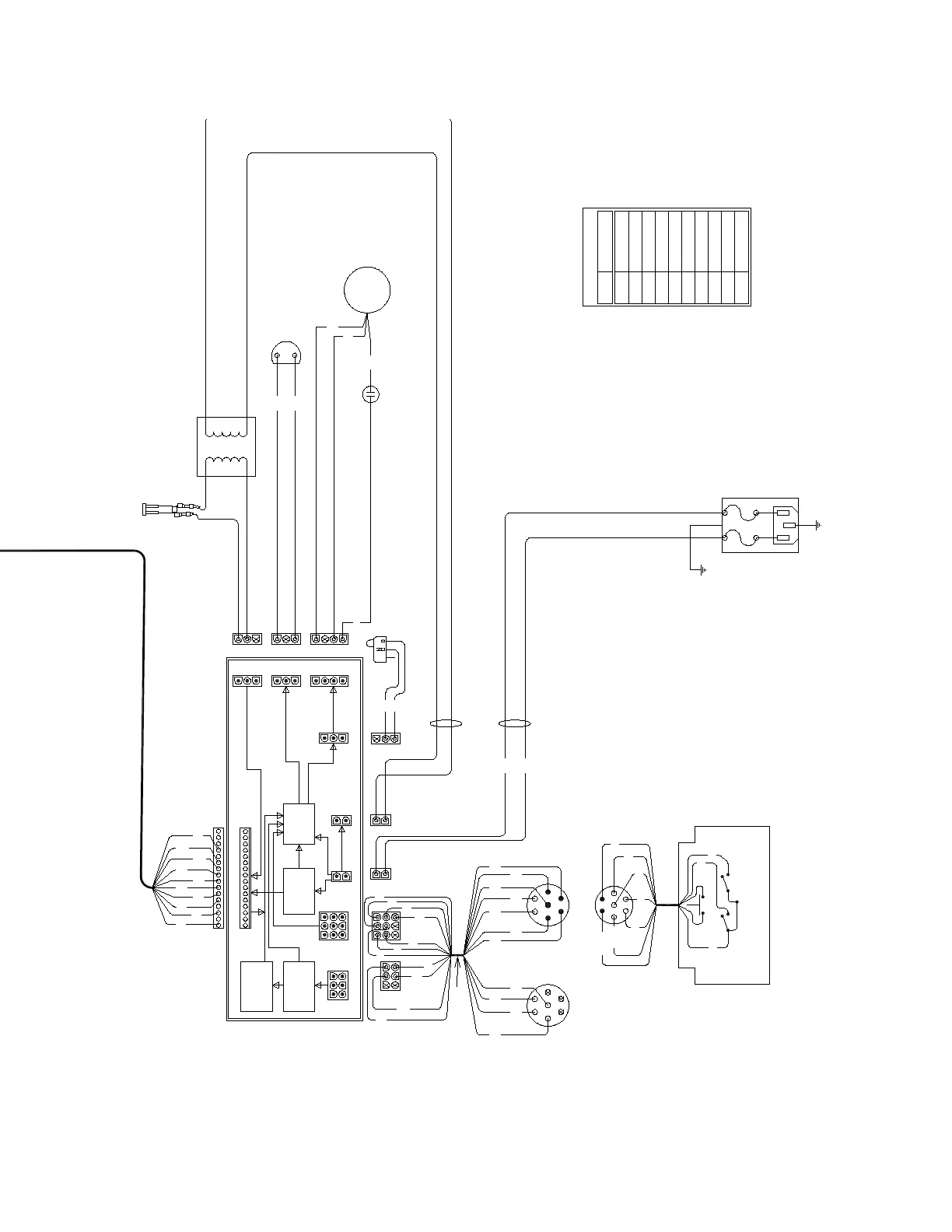
IN-6200
33
POWER
SUPPLY
AC IN
R/W
MEMBRANE SWITCH
PART NO. - 2027099
CONSOLE
O/B
RECEPTACLE
CHAIR CONTROL
B/WG/B
R/B
B/W
R/B
BBL
G
O
O/B
1
G/B
R
W
BL
R/W
FOOT
1
B
G
O
OPTICAL
CIRCUIT BOARD
2025599 - 120V & 230V
BUFFER
1
TIMER
1
1
G
B
SH
BL
W
O
LED 3
LED 2
3
3
LED 1
3
214
14 2
STOP
14 2
AUTO
ENT TRANSFORMER ASSY (OPT)
CABLE ASSY, AC INPUT
1993392
N
L
LIMIT SWITCH
1038992
R
W
LIMIT
1
PUMP
1
B
B
W
DRIVER
RELAY
1
SOL
1
1
ENT
1
1
W/B
B
B
PUMP MOTOR ASSY.
B
W
PUMP
MOTOR
230V - 2720192
120V - 2720092
120V - 1707792
230V - 1707892
SOLENOID ASSY.
W
R
ORANGE
WHITEW
Y YELLOW
BR
BL
ABBR
GY
G
O
V
R
B
BROWN
GREEN
GRAY
VIOLET
RED
WIRE COLOR
COLOR
BLACK
BLUE
ABBREVIATIONS
230V - 1994392
120V - 1993592
OUTPUT
INPUT
STRIPE TO PIN-1 BOTH ENDS
TO ENT LIGHT
OUTPUT
INPUT
1
1
O
W
SH G
BR
SH BL
O
W/B
W/B
BL
R
R/B
B
W
B
G
R
BR
W/B
B
Y
1
RIBBON CABLE
PART # 1546299
GYO
GSH
W
BL V
R
1
1
4
4
4
PART NO. - 2027099
MEMBRANE SWITCH
STOP
RAISE
LOWER
12
2 1
AUTO
2 1
LED 2
LED 3
3
3
LED 1
3
G/B
V
R/B
G/B
CAPACITOR
230V - 2002199
120V - 1597299
230V-4.0A/250V - 1634999
120V-6.3A/250V - 1634299
LINE FUSES
Y
CABLE ASS'Y
LV FOOTSWITCH
1607899
6
7
3
4
11
(1)BR
(4)G
BL
BR
G
(5)W
(2)B
(7)BL
(6)O
(3)R
UP
DOWN
O
AUTO
B
CHAIR BASE
FOOTSWITCH ASS'Y - 1608292
(OPTIONAL)
B
W
ENT IN
1
BASE CABLE
2722099
1
POWER ENTRY MODULE W/FILTER 1976799
POWER CORD ASSEMBLY 1659299
G/Y
R
1
B
W
W
1
1
1
1
1
1
1
1
1
Y
Y
Y
B
FOOT/CONSOLE CABLE-1993199
BASE
BASE
RAISE
LOWER
BASE
BASE
(P/N 1736992)
HINGE CABLE ASSY
1546699