EasyManua.ls Logo

HTP EFT-110 - Page 59

Default Icon
91 pages
Print Icon
To Next Page IconTo Next Page
To Next Page IconTo Next Page
To Previous Page IconTo Previous Page
To Previous Page IconTo Previous Page
Loading...
59
LP-387 REV. 12.15.14
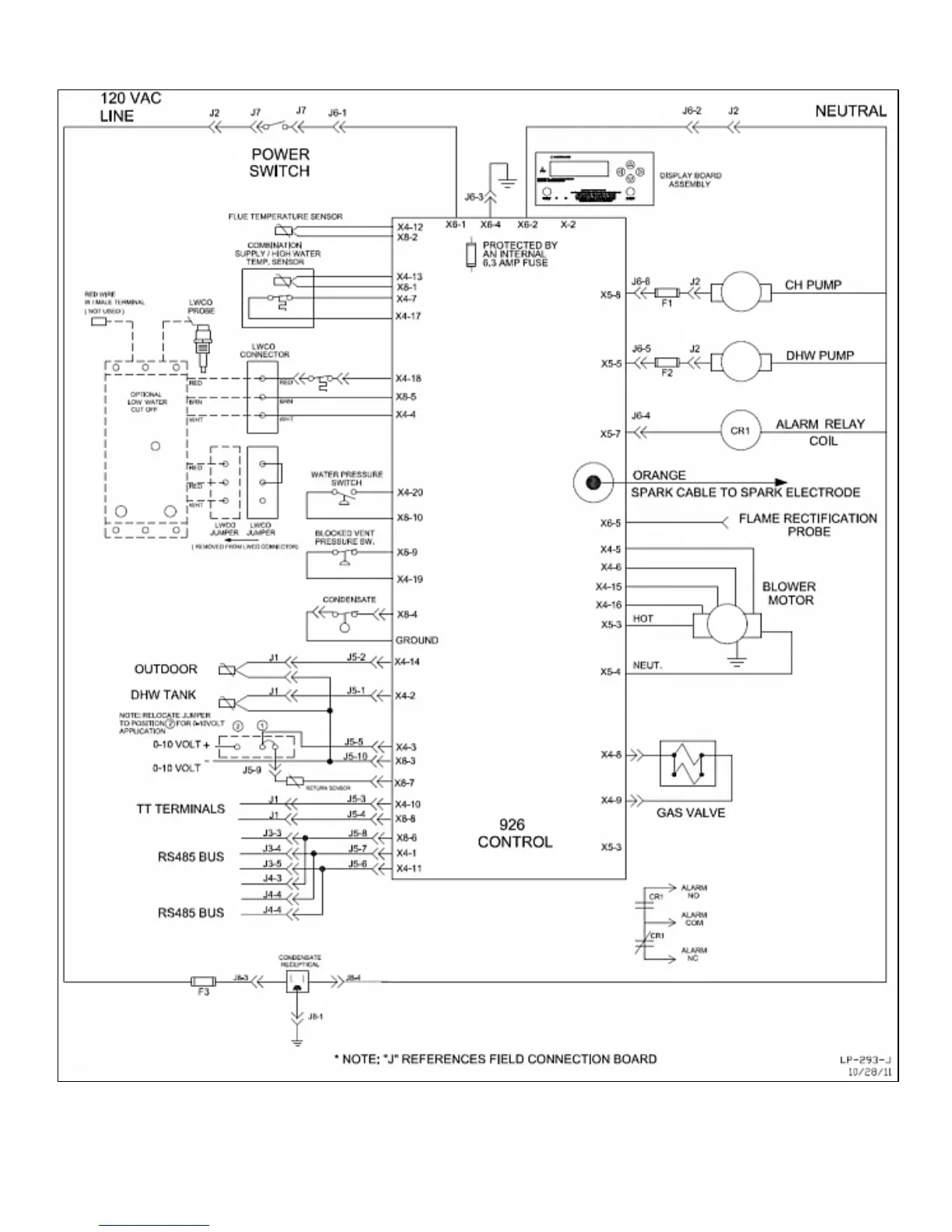
Figure 33 Internal Connection Diagram LP-293-J

Table of Contents