EasyManua.ls Logo

Huawei AP4050DN-HD - Page 92

Huawei AP4050DN-HD
118 pages
Print Icon
To Next Page IconTo Next Page
To Next Page IconTo Next Page
To Previous Page IconTo Previous Page
To Previous Page IconTo Previous Page
Loading...
AP4050DN-HD
Hardware Installation and Maintenance Guide 5 Appendix
Issue 01 (2016-04-15) Huawei Proprietary and Confidential
Copyright © Huawei Technologies Co., Ltd.
86
Type and Structure
Label for Signal Cables
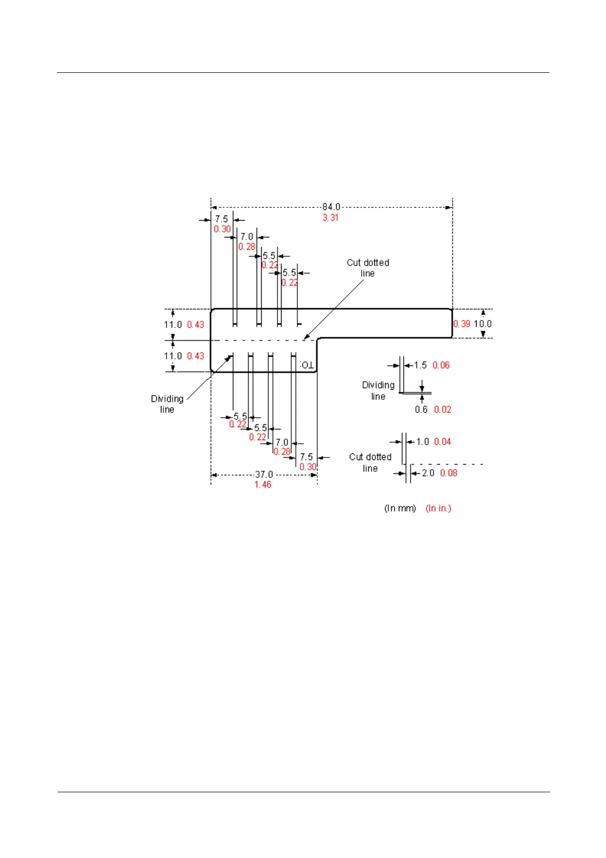
The label for signal cables is L-shaped with fixed dimensions, as shown in Figure 5-81.
Figure 5-81 Label for signal cables
To specify more clearly the position of a cable, use the dividing lines on the label. For
example, there is a dividing line between the cabinet number and the chassis number, and
another one between the chassis number and the slot number. Each dividing line is light blue
(Pantone 656c) and 1.5 mm x 0.6 mm (0.06 in. x 0.02 in.).
The cut dotted line helps to fold the label when affixed to the cable, and its size is 1 mm x 2
mm (0.04 in. x 0.08 in.).
The word "TO:" (upside down in the figure) at the lower right corner of the label is used to
identify the opposite end of the cable on which the label is affixed.
Power Cable Label
The label for power cables should be attached to the identification plate on the cable ties that
are attached to the cable. The identification plate has an embossed area 0.2 mm x 0.6 mm
(0.008 in. x 0.02 in.) around (symmetric on both sides), and the area in the middle is for
affixing the label, as shown in Figure 5-82.

Table of Contents

Other manuals for Huawei AP4050DN-HD

Related product manuals