EasyManua.ls Logo

Huawei AP4050DN-HD - Page 93

Huawei AP4050DN-HD
118 pages
Print Icon
To Next Page IconTo Next Page
To Next Page IconTo Next Page
To Previous Page IconTo Previous Page
To Previous Page IconTo Previous Page
Loading...
AP4050DN-HD
Hardware Installation and Maintenance Guide 5 Appendix
Issue 01 (2016-04-15) Huawei Proprietary and Confidential
Copyright © Huawei Technologies Co., Ltd.
87
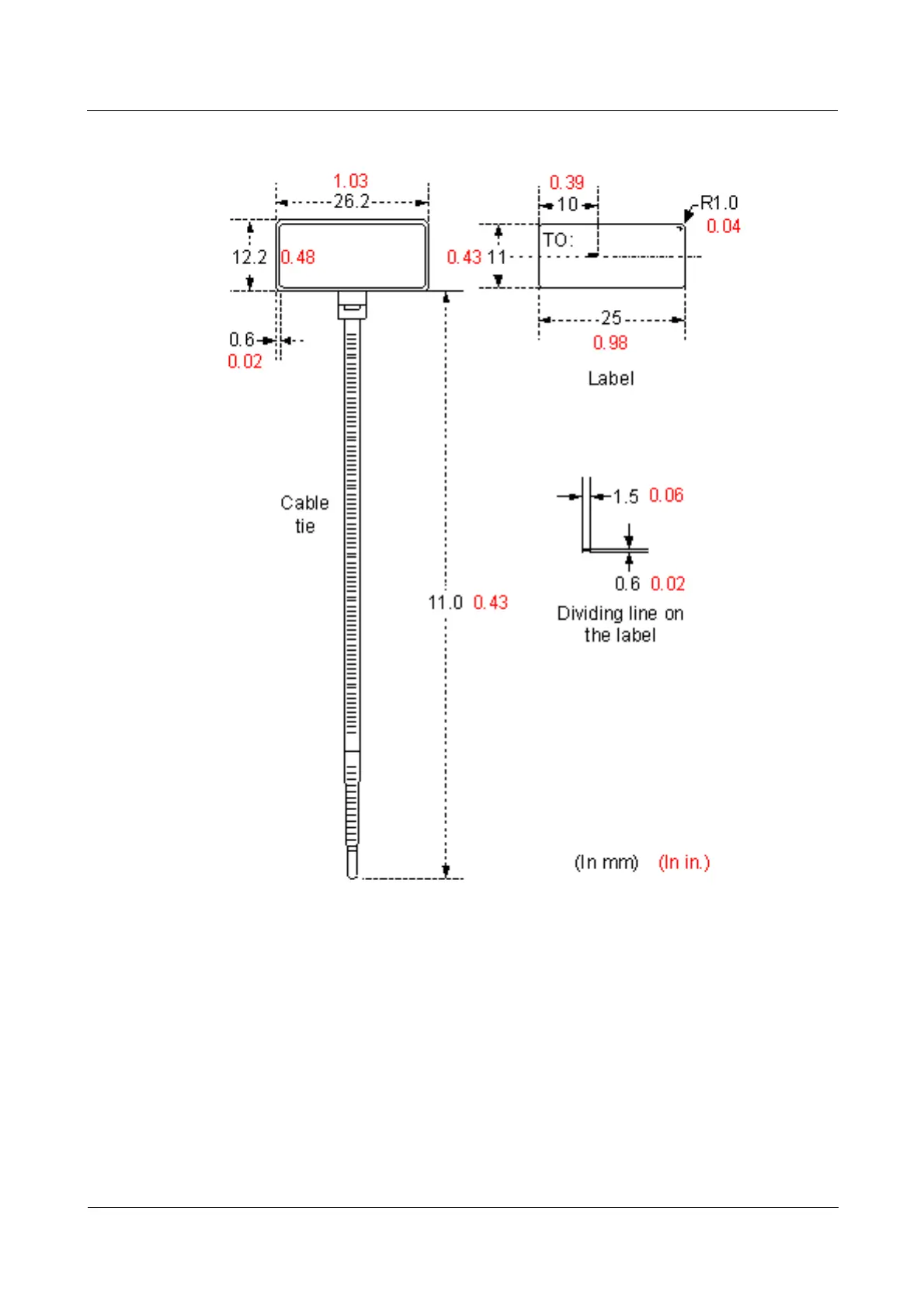
Figure 5-82 Power cable label
Label Printing
The contents can be printed or written on the labels. Printing is recommended for the sake of
high efficiency and eye-pleasant layout.
Template for Printing
You can obtain a template from the Huawei local office to print labels.
The template is made in Microsoft Word. Follow these instructions to use the template:

Table of Contents

Other manuals for Huawei AP4050DN-HD

Related product manuals