EasyManua.ls Logo

Huawei DTSU666-FE - Current Transformer and Potential Transformer Connections

Huawei DTSU666-FE
15 pages
Print Icon
To Next Page IconTo Next Page
To Next Page IconTo Next Page
To Previous Page IconTo Previous Page
To Previous Page IconTo Previous Page
Loading...
7
Please ensure that the
ground cable is installed
securely. Poor grounding
may cause electric shocks.
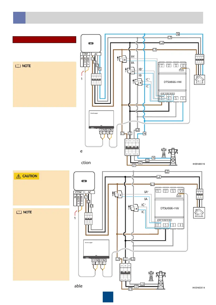
Connection Through Current Transformer and Voltage Direct
Connection (Current > 80 A, Line Voltage ≤ 500 V)
3.4
You need to set
parameters after
cable connections
are complete. For
details, see section 4
"Display and
Parameter Settings".
For the three-phase
three-wire
connection, phase B
does not need to
connect to a current
transformer.
Current transformers specifications: The accuracy class is 0.5, and the current on the secondary
side is 1 A or 5 A.
Three-phase four-wire
connection
Three-phase three-wire connection
(1) Shield layer of the signal cable
(1) Shield layer of the signal cable
SmartLogger networking
In the SmartLogger
networking scenario, the
power meter is connected to
the SmartLogger. In the non-
SmartLogger networking
scenario, the power meter is
connected to the inverter.

Related product manuals