EasyManua.ls Logo

Huawei DTSU666-FE - Page 7

Huawei DTSU666-FE
15 pages
Print Icon
To Next Page IconTo Next Page
To Next Page IconTo Next Page
To Previous Page IconTo Previous Page
To Previous Page IconTo Previous Page
Loading...
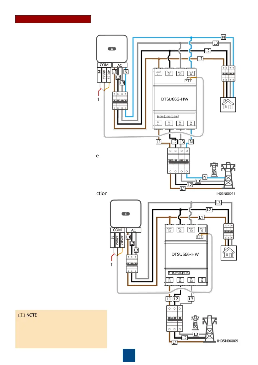
Three-phase four-wire connection
Three-phase three-wire connection
(1) Shield layer of the signal cable
(1) Shield layer of the signal cable
You need to set parameters after
cable connections are complete. For
details, see section 4 "Display and
Parameter Settings".
6
Smart Dongle networking

Related product manuals