EasyManua.ls Logo

Huawei DTSU666-FE - Page 6

Huawei DTSU666-FE
15 pages
Print Icon
To Next Page IconTo Next Page
To Next Page IconTo Next Page
To Previous Page IconTo Previous Page
To Previous Page IconTo Previous Page
Loading...
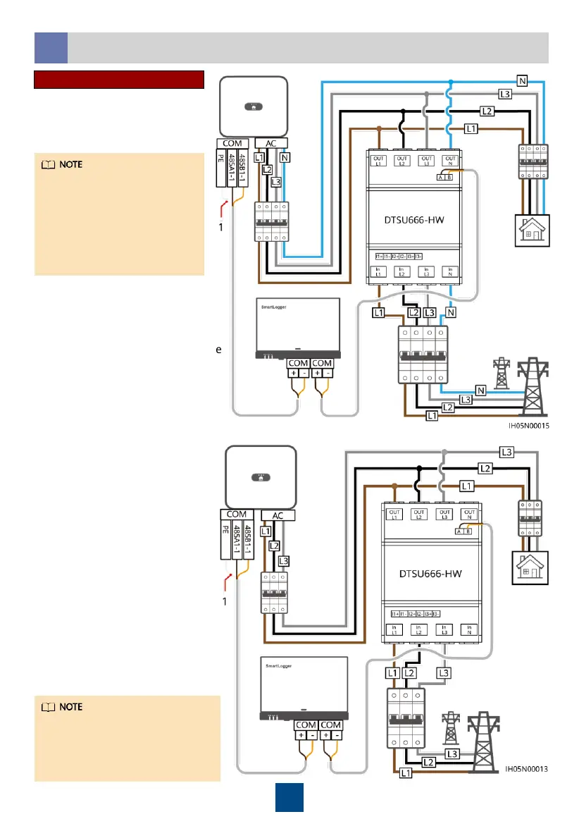
Current and Voltage Direct Connection (Current 80 A and Line
Voltage ≤ 500 V)
3.3
Three-phase four-wire
connection
Three-phase three-wire connection
(1) Shield layer of the signal cable
(1) Shield layer of the signal cable
You need to set parameters after
cable connections are complete.
For details, see section 4 "Display
and Parameter Settings".
5
SmartLogger networking
In the SmartLogger
networking scenario, the
power meter is connected to
the SmartLogger. In the non-
SmartLogger networking
scenario, the power meter is
connected to the inverter.

Related product manuals