EasyManua.ls Logo

Huawei NetCol500-A080 - Page 28

Huawei NetCol500-A080
47 pages
Print Icon
To Next Page IconTo Next Page
To Next Page IconTo Next Page
To Previous Page IconTo Previous Page
To Previous Page IconTo Previous Page
Loading...
27
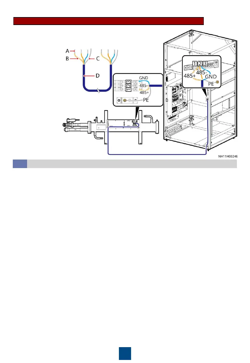
(A) Core wire
(B) Insulation layer
(C) Shield layer
(D) Jacket
Connecting the Signal Cable to a Water-Cooled Module
(Optional) Connecting a Micro Differential Pressure Sensor
8.5
1. Secure the differential pressure sensor inside the cabinet using two M3 screws.
2. Connect the longer PU hose to the port without the Lo (-) silk screen under the differential
pressure sensor, and route the hose through the top of the cabinet to the supply air pipe
plenum chamber. (There should be two binding points adjacent to the pressure inlet. The
distance between the binding point closer to the pressure inlet and the pressure inlet should
not exceed 25 mm, and the distance between two binding points is within 2030 mm.)
3. Connect cables to the differential pressure sensor.
4. After powering on the NetCol8000, choose Settings > System Settings > Indoor Fan, and
set Air-side difference pressure sensor type to 0500 Pa.

Related product manuals