EasyManua.ls Logo

Huawei R240D - Page 87

Huawei R240D
112 pages
Print Icon
To Next Page IconTo Next Page
To Next Page IconTo Next Page
To Previous Page IconTo Previous Page
To Previous Page IconTo Previous Page
Loading...
R240D
Hardware Installation and Maintenance Guide
5 Appendix
Huawei Proprietary and Confidential
Copyright © Huawei Technologies Co., Ltd.
81
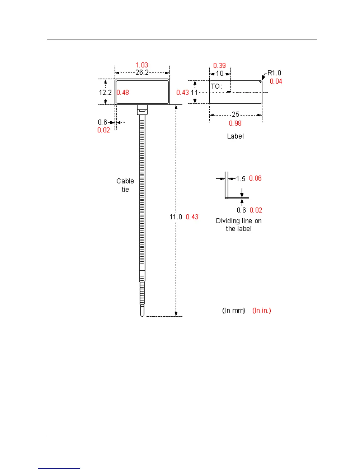
Figure 5-82 Power cable label
Label Printing
The contents can be printed or written on the labels. Printing is recommended for the sake of
high efficiency and eye-pleasant layout.
Template for Printing
You can obtain a template from the Huawei local office to print labels.
The template is made in Microsoft Word. Follow these instructions to use the template:

Table of Contents

Other manuals for Huawei R240D

Related product manuals