EasyManua.ls Logo

HUGONG POWERTIG 300DPIII - Page 23

HUGONG POWERTIG 300DPIII
24 pages
Print Icon
To Next Page IconTo Next Page
To Next Page IconTo Next Page
To Previous Page IconTo Previous Page
To Previous Page IconTo Previous Page
Loading...
23
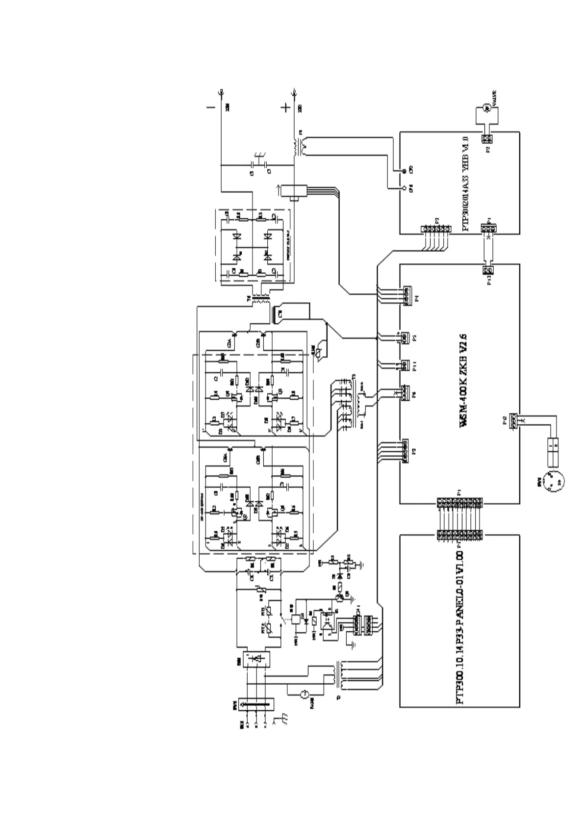
The Circuit Chart

Related product manuals