EasyManua.ls Logo

Husqvarna IZ 21 - Wiring Diagram

Husqvarna IZ 21
80 pages
Print Icon
To Next Page IconTo Next Page
To Next Page IconTo Next Page
To Previous Page IconTo Previous Page
To Previous Page IconTo Previous Page
Loading...
English-63
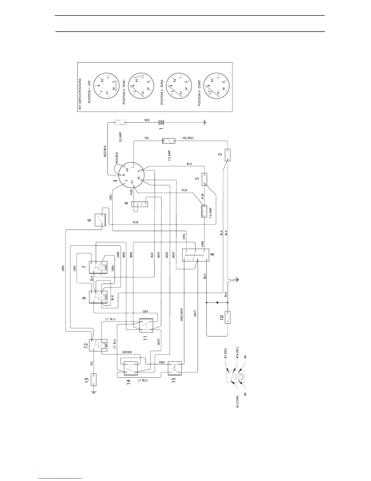
WIRING DIAGRAMS
Wiring diagram
1. Battery
2. Accessory outlet
3. Key switch
4. To engine pigtail
5. Hour meter
6. Seat switch
7. Run relay
8. Blade switch
9. Brake relay
10. Electric clutch
11. Brake switch
12. Start relay
13. Starter solenoid
14. Left motion control lever
15. Right motion control lever
BLK = Black
BLU = Blue
BRN = Brown
GRN = Green
GRY = Grey
LT.BLU = Light Blue
ORG = Orange
PUR = Purple
RED = Red
WHT = White
YEL = Yellow
NO = Normally Open
NC = Normally Closed
COM = Common
8011-650
6. Seat unoccupied 8. Blade switch in OFF position
11. Brake switch OFF pos. 14-15. Motion control levers OUT

Table of Contents

Related product manuals