EasyManua.ls Logo

HWH SPACEMAKER - Electrical Connection Diagrams; Room Extension Manifold Connections

Default Icon
22 pages
Print Icon
To Next Page IconTo Next Page
To Next Page IconTo Next Page
To Previous Page IconTo Previous Page
To Previous Page IconTo Previous Page
Loading...
MP84.0401
09FEB10
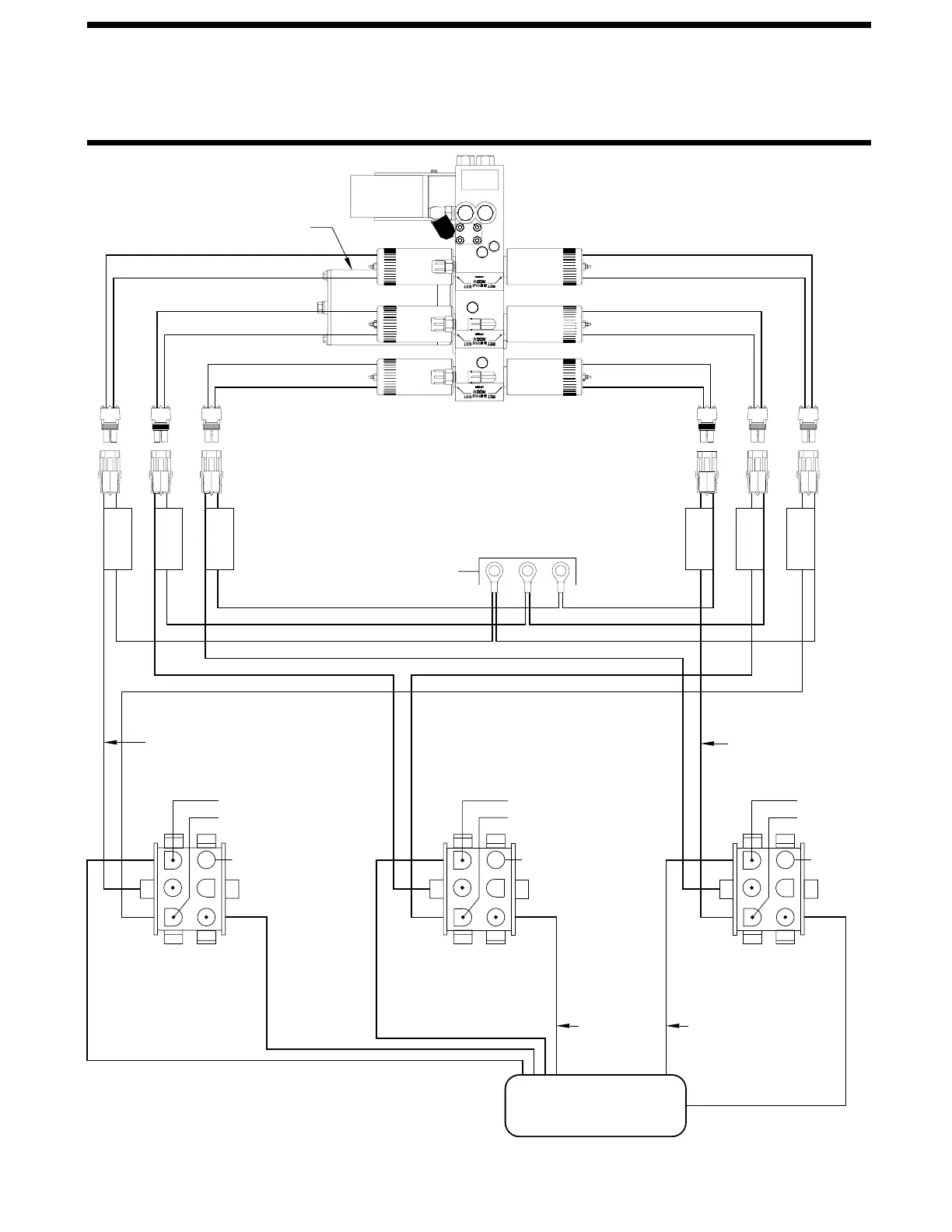
ELECTRICAL CONNECTION DIAGRAM
ROOM EXTENSION MANIFOLD CONNECTIONS
1E - ROOM 1 CYLINDER EXTEND - ROOM RETRACT
1R - ROOM 1 CYLINDER RETRACT - ROOM EXTEND
2E - ROOM 2 CYLINDER EXTEND - ROOM RETRACT
2R - ROOM 2 CYLINDER RETRACT - ROOM EXTEND
3E - ROOM 3 CYLINDER EXTEND - ROOM RETRACT
3R - ROOM 3 CYLINDER RETRACT - ROOM EXTEND
P.E.DP.E.D P.E.D
B A B A B A
ROOM
EXTEND
P.E.DP.E.D P.E.D
ABABAB
TOP VIEW (TANK NOT SHOWN)
MOTOR
3R
2R
1R 1E
2E
3E
EXTEND
ROOM
EXTEND
ROOM
RETRACT
ROOM
RETRACT
ROOM
RETRACT
ROOM
PIN 4
PIN 3
PIN 1
CONNECTION FOR
ROOM 3 CONTROL
PANEL
TO GROUND
BOLT ON PUMP
PANEL
CONNECTION FOR
ROOM 2 CONTROL
PIN 4
PIN 1
PIN 3
ROOM 1 CONTROL
CONNECTION FOR
PANEL
PIN 4
PIN 3
PIN 1
NOTE: THERE IS A HARNESS
BETWEEN EACH 6 PIN MANIFOLD
CONNECTOR AND IT’S ROOM
CONTROL PANEL.
SEE ELECTRICAL
CONNECTION DIAGRAM
PUMP RELAY
CONNECTION INFORMATION
PIN 1 - 8601 - PUMP RELAY CONTROL - SWITCHED +12
PIN 2 - 5000 - ROOM EXTEND - SWITCHED +12
PIN 3 - 5100 - ROOM RETRACT - SWITCHED +12
PIN 4 AND 5 - NO CONNECTION
PIN 6 - 6125 - +12 BATTERY
(PIN INFO SAME FOR ALL THREE CONNECTORS)
8601
6125
8601
6125
8601
6125
5000
5000
5000
5100
5100
5100