EasyManua.ls Logo

Hydro-Pro 7024525 - Page 36

Hydro-Pro 7024525
41 pages
Print Icon
To Next Page IconTo Next Page
To Next Page IconTo Next Page
To Previous Page IconTo Previous Page
To Previous Page IconTo Previous Page
Loading...
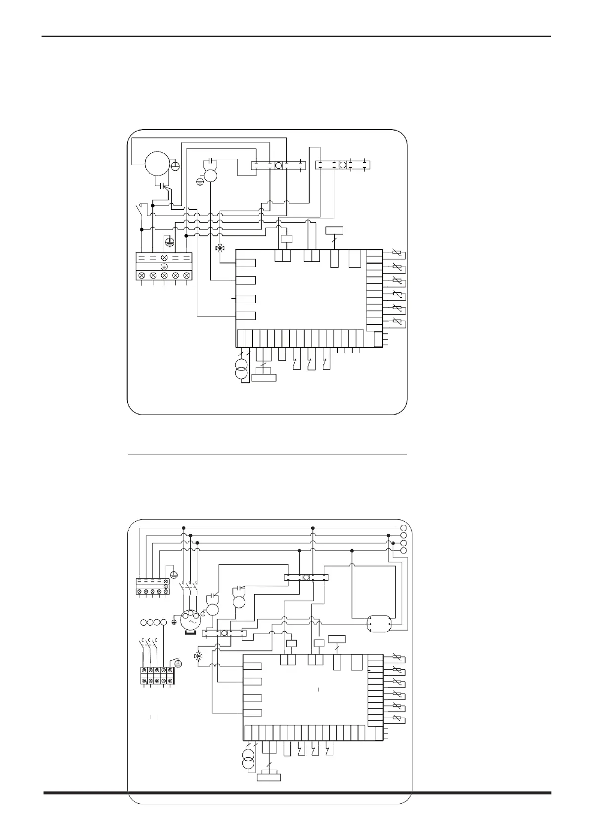
6.APPENDIX
33
CC
CR
RED
U1
BLK
V1
WHT
W1
R
S
T
N
N N
R
SUT
GND
6.1 Circuit diagram
BLK
COMP
Y/G
CC CR
C2
BLK
BLU
1
N
3
01
5
CC
7
1
L
3
02
5 7
CS
RED
C1
WHT
Y/G
FM
RED
2 4 6
8
2 4 6 8
KM1
L N
RED BLU Y/G
L N 1 2
TO POWER SUPPLY TO PUMP
4V
RED
OUT3
OUT4
KM1
OUT1 OUT2
EEV
5
GND
ET
AI06
ET
GND
AT
AI05
AT
GND
CT
AI04
CT
OT
50K
t
5K
t
5K
t
5K
220-240V~/50HZ
OUT5
PC1001
GND
OT
t
AT
˖
Ambient temperature
AI03
IT
5K
GND
IT
t
COMP
˖
Compressor
CT
˖
Coil temperature
EEV
˖
Electronic expansion valve
ET
˖
Exhaust temperature
FM
˖
Fan motor FS
˖
Flow
switch
HP
˖
High pressure protection
IT
˖
Inlet water temperature
KM1
˖
Contactor of compressor
LP
˖
Low pressure protection
OT
˖
Outlet water temperature
SUT
˖
Suction temperature
TC
˖
Transformer
AC-N
2
2
TC
12V
3
Controller
FS LP
HP
AI02
SUT
5K
GND
t
AI01
+5V
GND
4V
˖
4 way valve
P20/32
CODE
˖
20190220-0004
R
S
T
N
1
N
3
01
5
R
7
R S T N
KM1
C1
BLK
BLU
C2
BLK
BLU
2 4 6 8
TO POWER SUPPLY
380-415V/3N~/50Hz
V
FM1
FM2
RED
U W
RED
11 L1(A)
R S T
N
3
COMP
14
PM
L2(B)
1
F
3
02
5
N
7
12
L3(C)
KM2
2 4 6
4V
8
OUT3
KM1
KM2
EEV
5
GND
ET
AI06
ET
50K
t
TO PUMP
AT
˖
Ambient
temperature
OUT4
OUT5
AC-N
OUT1 OUT2
PC1001
GND
AT
5K
AI05
AT
GND
CT
5K
AI04
CT
GND
OT
5K
AI03
OT
GND
IT
5K
AI02
IT
COMP
˖
Compressor
R RED
S BLK
T WHT
N BLU
CC
L
R2
S2
T2
N
L
CS
N N
P
N
R
S
N
T
4V
N
F1
F2
4V
N
N
N
N
N
4V
N1
F
N
4V
N
CN1
CN2
12V
NET
GND
DI01
GND
DI02
GND
DI03
GND
DI04
GND
DI05
GND
DI06
GND
N
BRN
BLU
Y/G
N
N
L
K1
3
4
R
K1
3
4
N
CC
N
N
N
CC
N
FS
FS
LP
LP
HP
HP
N
N
L
3
4
R
K2
R
R
R
3
4
P
N
L
L
R
L
CN19
CN19
N
CN6
CN6
N1 N
CN16
S
R
T
T S
t
t
t
t

Related product manuals