EasyManua.ls Logo

Hydromatic S4NX - Page 6

Hydromatic S4NX
16 pages
Print Icon
To Next Page IconTo Next Page
To Next Page IconTo Next Page
To Previous Page IconTo Previous Page
To Previous Page IconTo Previous Page
Loading...
6
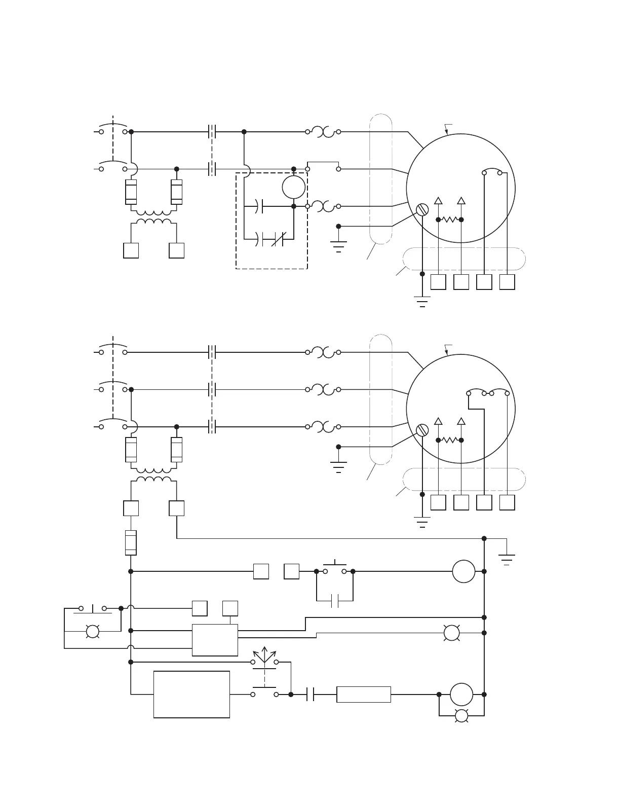
WHITE
BLACK
PINK
L1
L3
A B
120 VAC
FUSE
M
TYPICAL THREE PHASE
MOTOR CONNECTIONS
O/L
O/L
L2
O/L
FUSES
GREEN
RED
WHITE
BLACK
PUMP MOTOR
FE
RED
330K
DC
GREEN
HEAT SENSORS
120 VAC, 5A
SEAL PROBES
300 VAC, 20 MA
POWER
CORD
CONTROL
CORD
SEE TYPICAL CONTROL
CIRCUITRY BELOW
WHITE
BLACK
PINK
L1
A B
120 VAC
M
TYPICAL UL ONLY SCHEMATICS
TYPICAL SINGLE PHASE
M
OTOR CONNECTIONS
O/L
O/L
L2
FUSES
GREEN
RED
BLACK
WHITE
PUMP MOTOR
RED
330K
DC
GREEN
HEAT SENSORS
120 VAC, 5A
S
EAL PROBES
300 VAC, 20 MA
P
OWER
CORD
CONTROL
C
ORD
SEE TYPICAL CONTROL
C
IRCUITRY BELOW
CRS
RUN
C
APACITOR
CRS
START
CAPACITOR
CAPACITOR
PACK PANEL
M
RUN
LIGHT
SEAL
FAILURE
INDICATOR
R
FE
PUSH TO
RESET
R
TO HEAT SENSOR
IN PUMP MOTOR
DC
PUSH TO TEST
SEAL PROBE
CONTINUITY
TEST LIGHT
TO SEAL PROBES
IN PUMP MOTOR
SEAL
FAILURE
RELAY
LEVEL
CONTROL
CIRCUITRY
H
O
A
H
A
R
OVERLOADS
CAPACITORS AND/OR CONTROLS SHOULD BE LOCATED OUTSIDE
HAZARDOUS AREA AND ENCLOSED IN AN APPROPRIATE ENCLOSURE.
NOTE:
TYPICAL
CONTROL
CIRCUITRY
SEE TYPICAL
CONTROL CIRCUITRY
B
ELOW
FE