EasyManua.ls Logo

Hyster E004 - Page 8

Hyster E004
19 pages
Print Icon
To Next Page IconTo Next Page
To Next Page IconTo Next Page
To Previous Page IconTo Previous Page
To Previous Page IconTo Previous Page
Loading...
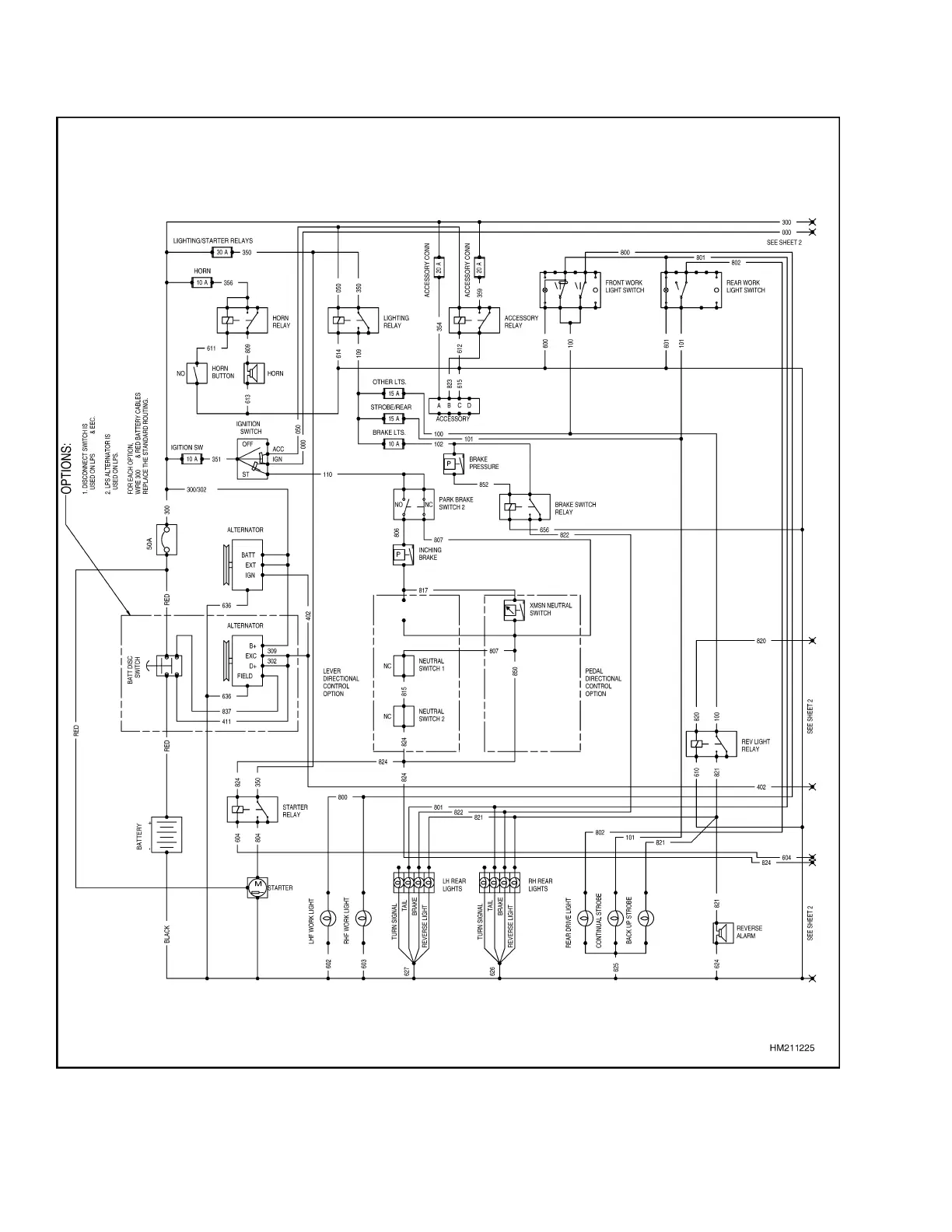
Diagrams, Schematics, or Arrangements 8000 SRM 989
Figure 1. Electrical Schematic LPG (REV 1) (E004) (Sheet 1 of 3)
2

Related product manuals