EasyManua.ls Logo

Hytera TM-610 - Page 33

Hytera TM-610
71 pages
Print Icon
To Next Page IconTo Next Page
To Next Page IconTo Next Page
To Previous Page IconTo Previous Page
To Previous Page IconTo Previous Page
Loading...
32
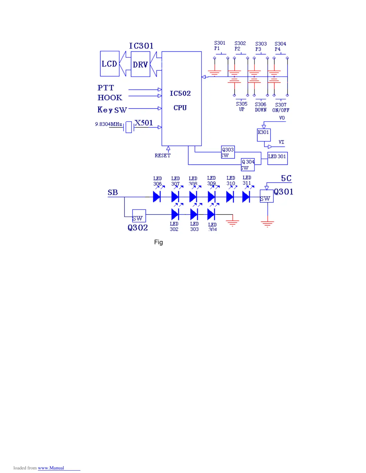
Fig 6. Display Circuit