EasyManua.ls Logo

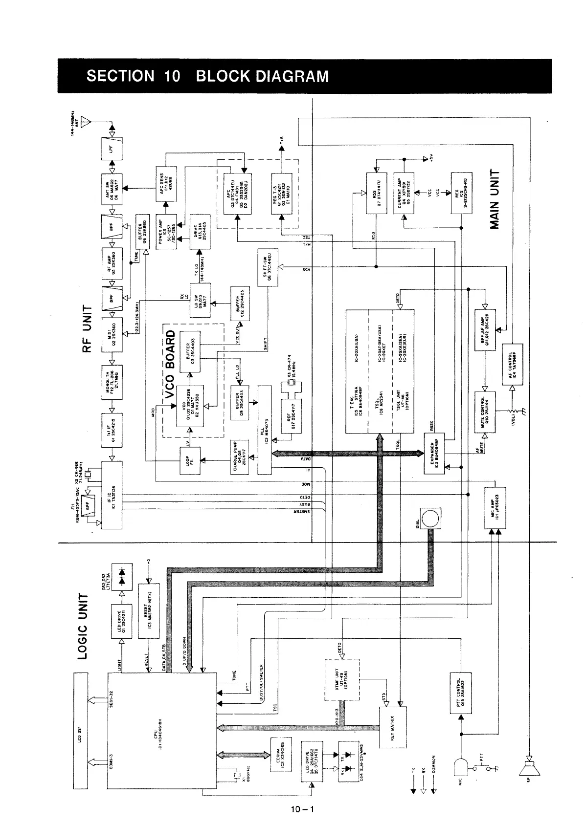
Icom IC-2GXAT - Section 10 Block Diagram

Icom IC-2GXAT
47 pages
Print Icon
To Next Page IconTo Next Page
To Next Page IconTo Next Page
To Previous Page IconTo Previous Page
To Previous Page IconTo Previous Page
Loading...

Other manuals for Icom IC-2GXAT

Related product manuals