EasyManua.ls Logo

Icom IC-u2A - Page 36

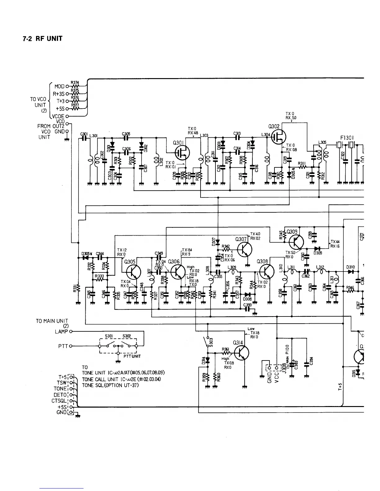
Icom IC-u2A
68 pages
Print Icon
To Next Page IconTo Next Page
To Next Page IconTo Next Page
To Previous Page IconTo Previous Page
To Previous Page IconTo Previous Page
Loading...

Related product manuals